授权公布号:CN212975274U
一种食盐生产用碾磨设备
有效
申请
2020-07-13
申请公布
1970-01-01
授权
2021-04-16
预估到期
2030-07-13
| 申请号 | CN202021357493.1 |
| 申请日 | 2020-07-13 |
| 授权公布号 | CN212975274U |
| 授权公告日 | 2021-04-16 |
| 分类号 | B02C7/00;B02C23/00;B02C4/02;B02C23/02;B02C19/22 |
| 分类 | 破碎、磨粉或粉碎;谷物碾磨的预处理; |
| 申请人名称 | 四川省天渠盐化有限公司 |
| 申请人地址 | 四川省达州市渠县渠江镇渠光路997号 |
专利法律状态
2021-04-16
授权
状态信息
授权
摘要
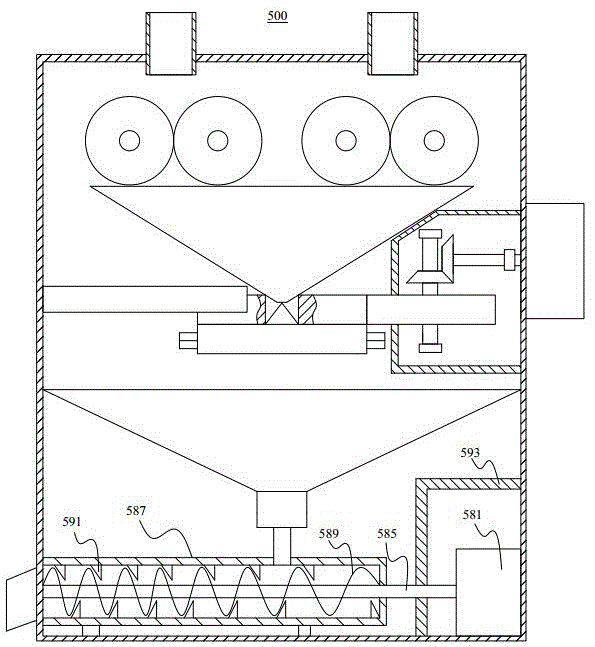
本实用新型提供了一种食盐生产用碾磨设备,涉及食盐生产技术领域。该食盐生产用碾磨设备包括机箱、进料管、碾碎辊组、第一漏料斗、动磨盘、限位件、定磨盘、分料锥、固定件、转动轮、第一驱动电机、第二漏料斗和出料管。机箱、进料管和碾碎辊组的设置,能够对粗盐初步碾碎;第一漏料斗、动磨盘、限位件、定磨盘、固定件、转动轮和第一驱动电机的设置,能够对粗盐进行进一步的挤压碾磨,使得粗盐能够被充分碾磨成细盐,碾磨效果较好;分料锥的设置,使得进入漏料孔的食盐,能够被均匀的分配至定磨盘与动磨盘之间,以进一步提高食盐生产用碾磨设备的碾磨效果;第二漏料斗和出料管的设置,能够从机箱内导出细盐,便于食盐的后续加工工序的进行。


