授权公布号:CN210885878U
一种固体酸催化合成格蓬酯香料的生产装置
有效
申请
2019-09-03
申请公布
1970-01-01
授权
2020-06-30
预估到期
2029-09-03
| 申请号 | CN201921454803.9 |
| 申请日 | 2019-09-03 |
| 授权公布号 | CN210885878U |
| 授权公告日 | 2020-06-30 |
| 分类号 | C07C67/08;C07C69/708 |
| 分类 | 有机化学〔2〕; |
| 申请人名称 | 安徽华业香料股份有限公司 |
| 申请人地址 | 安徽省安庆市潜山市舒州大道42号 |
专利法律状态
2020-06-30
授权
状态信息
授权
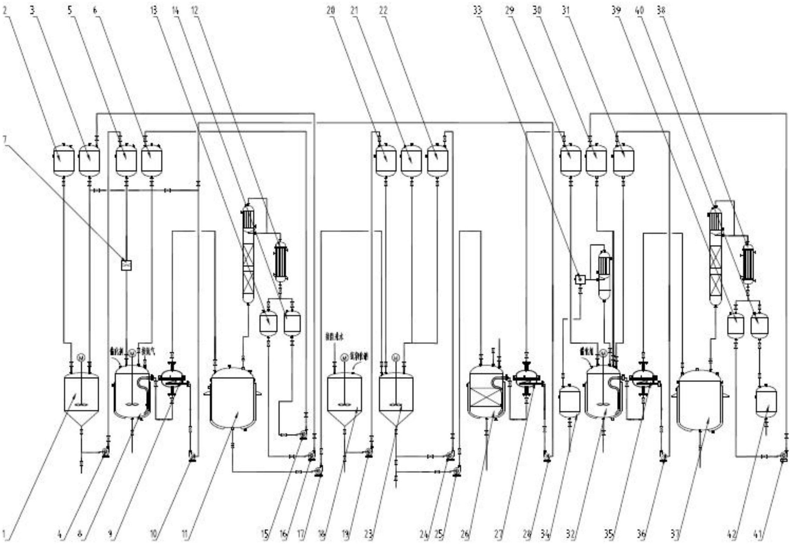
摘要
本实用新型公开了一种固体酸催化合成格蓬酯香料的生产装置,采用本装置可得到高纯度的格蓬酯香料,缩短了工艺流程,提高反应的产率。采用重氮乙酸乙酯与异戊醇为起始原料,经O‑H插入反应、皂化和酸化得到异戊氧基乙酸后,再以固体酸催化与烯丙醇缩合后,生产格蓬酯合成香料大大缩短了反应时间,提高了本质安全性。采用自动反冲洗过滤技术实现无水碳酸钠干燥脱水操作的固液分离,工艺流程相对简短。


