授权公布号:CN208062776U
一种电机过流或堵转的纯硬件保护装置及其电动晾衣架
有效
申请
2017-12-08
申请公布
1970-01-01
授权
2018-11-06
预估到期
2027-12-08
| 申请号 | CN201721705649.9 |
| 申请日 | 2017-12-08 |
| 授权公布号 | CN208062776U |
| 授权公告日 | 2018-11-06 |
| 分类号 | H02H7/085 |
| 分类 | 发电、变电或配电; |
| 申请人名称 | 九牧智能厨卫(安徽)有限公司 |
| 申请人地址 | 安徽省滁州市苏滁现代产业园扬子东路1528号 |
专利法律状态
2018-11-06
授权
状态信息
授权
摘要
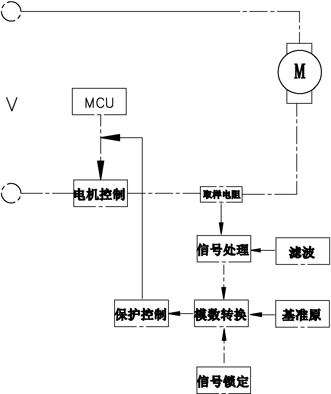
一种电机过流或堵转的纯硬件保护装置及其电动晾衣架,该装置中取样和转换模块将电流转换为电压信号并将该电压信号传送至信号处理模块;信号处理模块将采集到的电压信号进行放大并将放大后的电压信号传送至模数转换模块;模数转换模块将放大处理后的电压模拟信号进行模数转换成电压数字信号并将该数字信号传送至中心控制模块;中心控制模块通过数字信号之高低电平以控制继电器常开触点之通断进而控制电机之持续或停止转动。它具有如下优点:电机过流保护点精度非常高,而且可靠;且,该装置可以采用更低阻值的取样电阻,减少电阻的发热量,减少温漂、提高可靠性。


