授权公布号:CN216673349U
电容式灭蚊灯电路结构
有效
申请
2022-01-14
申请公布
1970-01-01
授权
2022-06-03
预估到期
2032-01-14
| 申请号 | CN202220107077.9 |
| 申请日 | 2022-01-14 |
| 授权公布号 | CN216673349U |
| 授权公告日 | 2022-06-03 |
| 分类号 | H05B45/30;H05B45/36;H02M7/06;A01M1/22 |
| 分类 | 其他类目不包含的电技术; |
| 申请人名称 | 中山市吉力电器制造有限公司 |
| 申请人地址 | 广东省中山市小榄镇小榄工业大道南兴路18号 |
专利法律状态
2022-06-03
授权
状态信息
授权
摘要
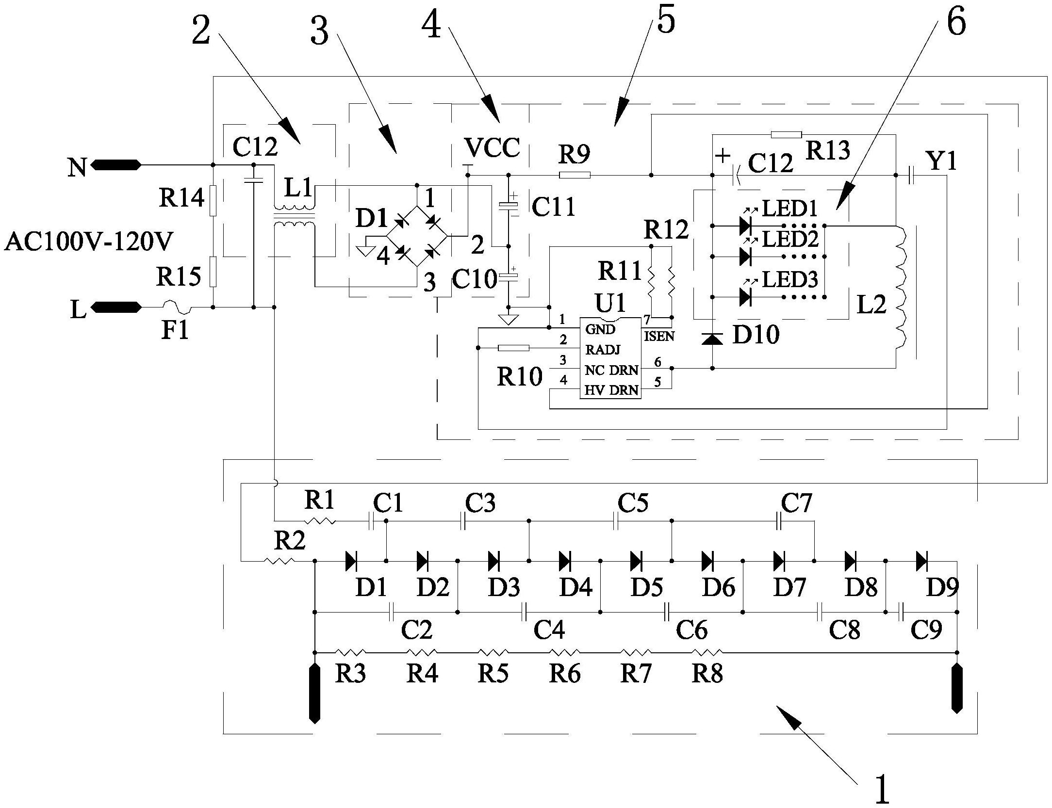
一种电容式灭蚊灯电路结构,包括设置在一块线路板上的电击灭蚊升压电路,以及依次电连接的EMC电路、整流电路、滤波电路和LED驱动电路,电击灭蚊升压电路和EMC电路并联在电路输入端的火、零线处;LED驱动电路与设在灯管内的LED发光电路连接;在LED驱动电路的输入端设有吸收高压打火的电压吸收电阻R9,这样就可以防止电击灭蚊升压电路在电击时产生的瞬间高压对驱动电路的冲击而导致损坏LED灯,因此本实用新型的结构更合理,能提高LED灯管使用寿命;另外,由于将电击灭蚊升压电路和LED驱动电路集成到一块电路板上,这样LED驱动电路就不用装入到专门的驱动外壳内,从而降低灭蚊灯电路结构的生产成本。


