授权公布号:CN214742920U
带气动刹车系统的高速并纱机
有效
申请
2021-03-31
申请公布
1970-01-01
授权
2021-11-16
预估到期
2031-03-31
| 申请号 | CN202120658471.7 |
| 申请日 | 2021-03-31 |
| 授权公布号 | CN214742920U |
| 授权公告日 | 2021-11-16 |
| 分类号 | F16D65/14;D01H13/14 |
| 分类 | 工程元件或部件;为产生和保持机器或设备的有效运行的一般措施;一般绝热; |
| 申请人名称 | 临沂市奥博纺织制线有限公司 |
| 申请人地址 | 山东省临沂市兰山区兰山街道董家朱许村 |
专利法律状态
2021-11-16
授权
状态信息
授权
摘要
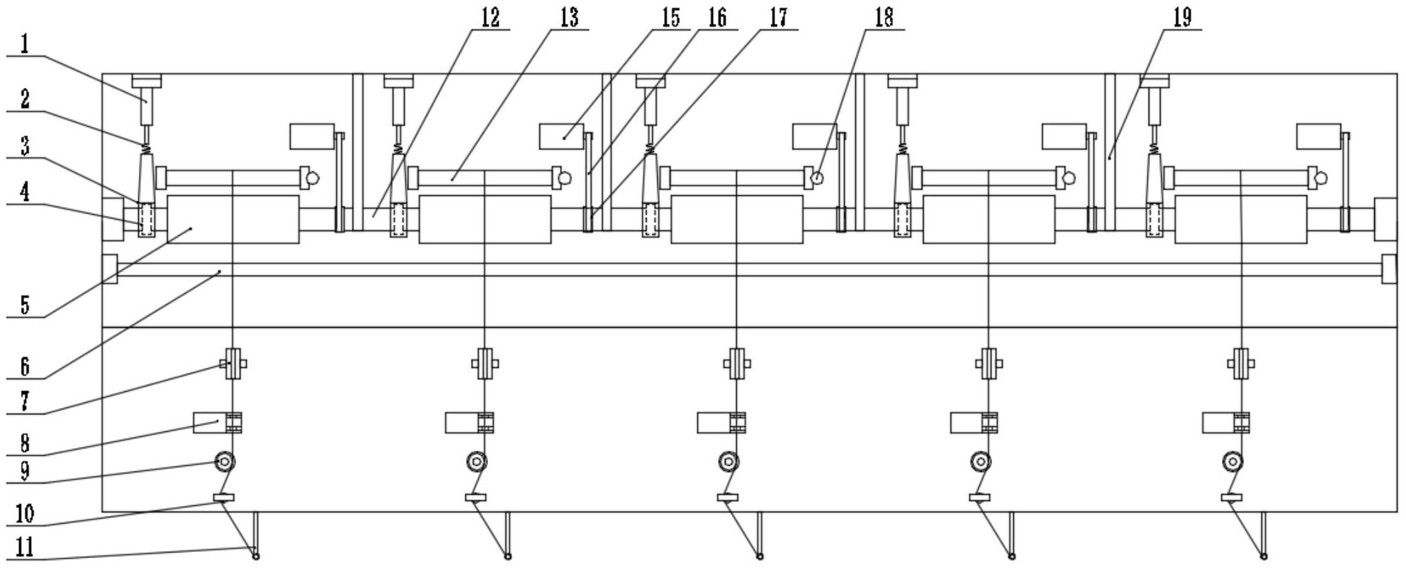
本实用新型公开了一种带气动刹车系统的高速并纱机,它属于纺织设备领域,其解决了现有技术中缺少一种结构简单,可以快速制动,减少纱线浪费,提升工作效率,减少槽筒空转时间对纱线产生的摩擦,有效控制纱线的饱和度的带气动刹车系统的高速并纱机的问题。它主要包括机架,机架上设有梁板、前板、电机和卷纱架,机架和梁板间设有转轴,转轴上设有槽筒和皮带轮,电机和皮带轮通过皮带连接,前板上设有导线轮、探丝器、张紧机构、控制箱和导纱钩,所述前板上设有继电器组和电磁阀组,机架上设有气缸,转轴上设有制动轮,制动轮和气缸间设有制动片。本实用新型主要用于并纱机。


