授权公布号:CN214625307U
聚合物锂离子电池组连接结构
有效
申请
2021-04-15
申请公布
1970-01-01
授权
2021-11-05
预估到期
2031-04-15
| 申请号 | CN202120771160.1 |
| 申请日 | 2021-04-15 |
| 授权公布号 | CN214625307U |
| 授权公告日 | 2021-11-05 |
| 分类号 | H01M50/503;H01M50/509;H01M50/516 |
| 分类 | 基本电气元件; |
| 申请人名称 | 武汉力兴(火炬)电源有限公司 |
| 申请人地址 | 湖北省武汉市东湖开发区关东工业园7号 |
专利法律状态
2021-11-05
授权
状态信息
授权
摘要
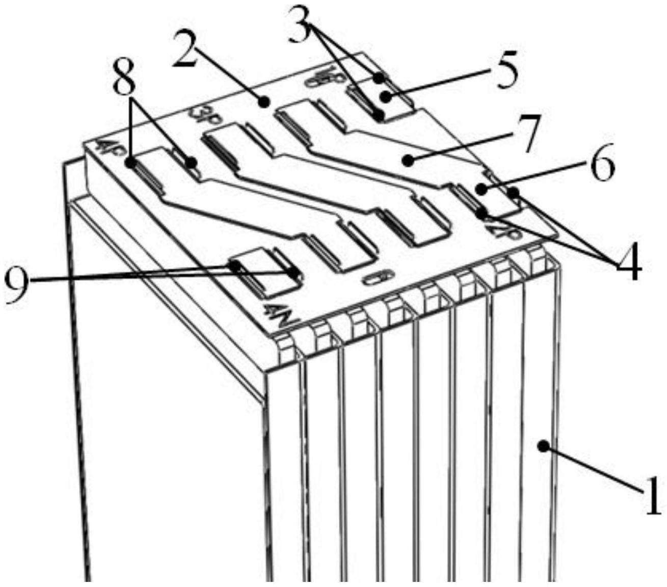
本实用新型公开了一种聚合物锂离子电池组连接结构,包括电池组和以及设置于电池组顶部的连接板,所述电池组包括偶数个电芯,各电芯均在顶部设有正极极耳和负极极耳,所述电芯沿厚度方向堆叠每两个形成一对,多对电芯沿厚度方向依次堆叠,所述连接板在沿电芯宽度方向的两侧分别设有正极导电片和负极导电片,各正极导电片与各对电芯对应且与其两正极极耳连接,各负极导电片与各对电芯对应且与其两负极极耳连接;所述连接板上还设有多个导电连接片。本实用新型所有电芯的正极极耳均在同侧,负极极耳均在另一侧,电芯堆叠时正极与负极均为同侧放置,可有效降低电池组装过程中电芯短路机率,降低损耗,提高电池组的装配安全性能。


