授权公布号:CN220165827U
一种利用烟气余热驱动的甲醇重整制氢装置
有效
申请
2023-03-15
申请公布
1970-01-01
授权
2023-12-12
预估到期
2033-03-15
| 申请号 | CN202320507055.6 |
| 申请日 | 2023-03-15 |
| 授权公布号 | CN220165827U |
| 授权公告日 | 2023-12-12 |
| 分类号 | C01B3/32;F23J15/06 |
| 分类 | 无机化学; |
| 申请人名称 | 哈尔滨锅炉厂有限责任公司 |
| 申请人地址 | 黑龙江省哈尔滨市香坊区三大动力路309号 |
专利法律状态
2023-12-12
授权
状态信息
授权
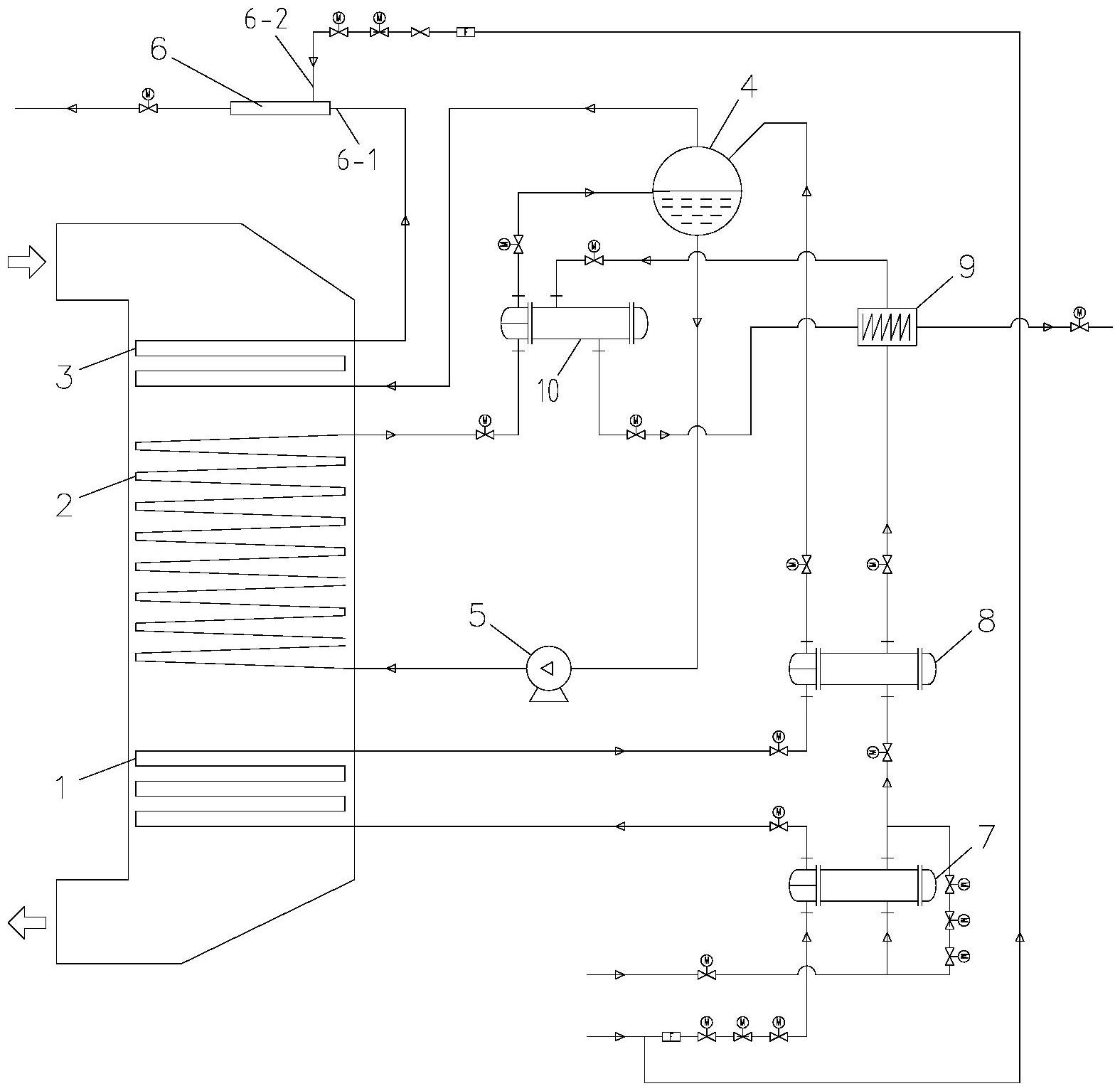
摘要
一种利用烟气余热驱动的甲醇重整制氢装置,它涉及一种甲醇重整制氢装置。本实用新型为了解决现有技术中直接对换热器内的甲醇‑水溶液进行加热,其换热速率低、传热延迟大,导致甲醇裂解反应器内化学反应难以调控,引起重整效率低的问题。本实用新型用余热锅炉运行过程中产生的高温烟气为驱动热源,甲醇‑水溶液在进入重整反应器前,逐级提高甲醇‑水溶液的温度,并在进入重整反应器前实现溶液的汽化,甲醇‑水蒸汽在重整反应器内催化剂的作用下反应生产氢气和二氧化碳,经过除杂后即获得纯净的氢气。通过多级换热充分利用烟气、工质以及重整产物的余热,提高了重整反应器内的反应速度。本实用新型用于甲醇重整制氢。


