授权公布号:CN109653810B
一种一炉带两机切换运行热力系统
有效
申请
2019-02-25
申请公布
2019-04-19
授权
2024-03-22
预估到期
2039-02-25
| 申请号 | CN201910155272.1 |
| 申请日 | 2019-02-25 |
| 申请公布号 | CN109653810A |
| 申请公布日 | 2019-04-19 |
| 授权公布号 | CN109653810B |
| 授权公告日 | 2024-03-22 |
| 分类号 | F01D13/02;F01D15/10;F01K11/02;F01K13/02;F01K17/04 |
| 分类 | 一般机器或发动机;一般的发动机装置;蒸汽机; |
| 申请人名称 | 哈尔滨锅炉厂有限责任公司 |
| 申请人地址 | 黑龙江省哈尔滨市南岗区高科技生产基地33号楼 |
专利法律状态
2024-03-22
授权
状态信息
授权
2019-05-14
实质审查的生效
状态信息
实质审查的生效;IPC(主分类):F01D13/02;申请日:20190225
2019-04-19
公布
状态信息
公布
摘要
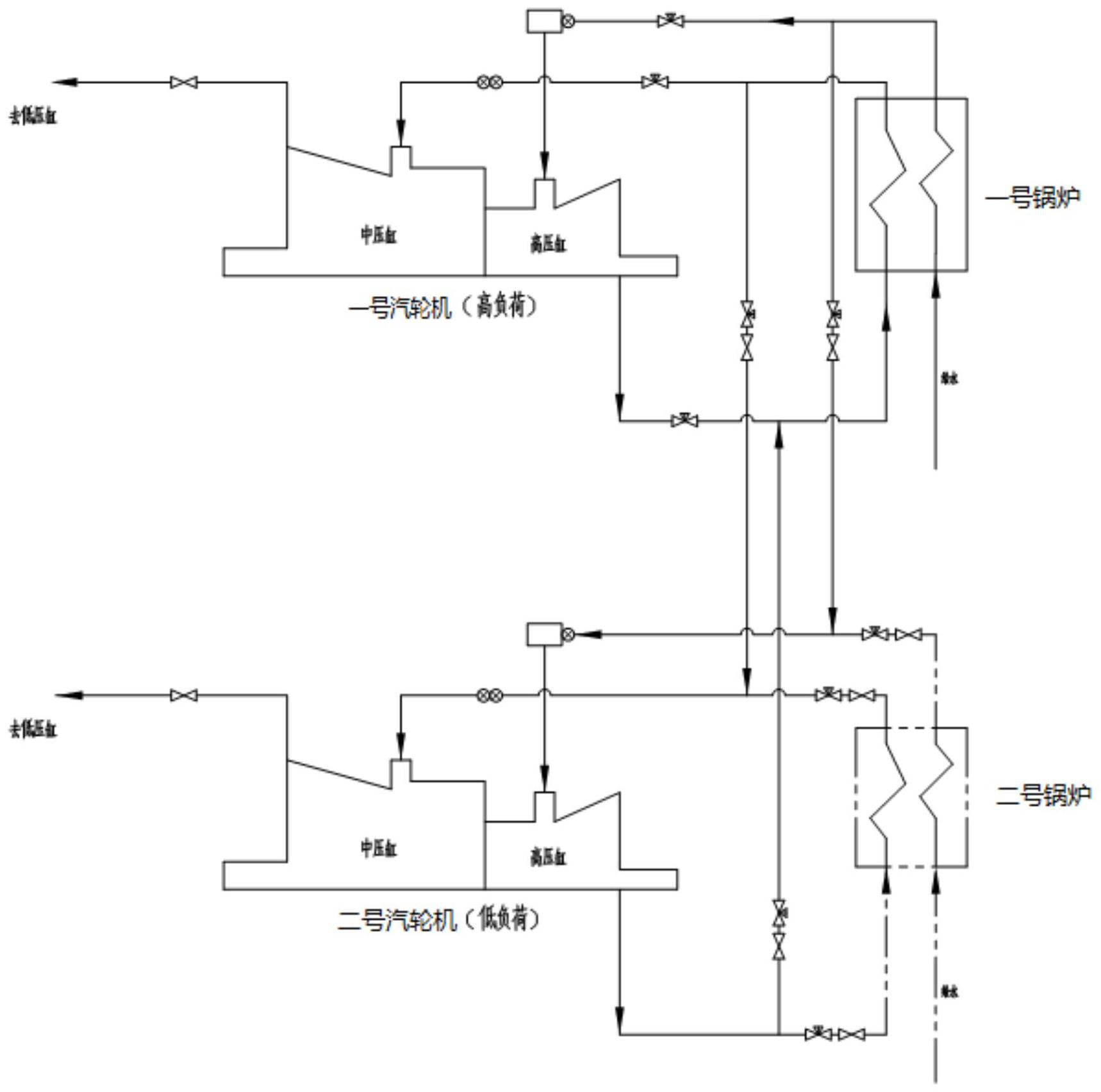
本发明提供了一种一炉带两机切换运行热力系统。主要解决了传统的电厂锅炉主要设备发生故障时,整个单元都要被迫停止运行的问题。在满足一炉带一机的前提下,如2台汽机均处于较低负荷(2台汽机总负荷不小于1台锅炉的最低稳燃负荷,不大于1台锅炉的最高负荷),可停1台炉,剩下的1台炉可同时为2台汽机送汽;另外,在1台炉为2台汽机供汽时,可启动另1台炉完成由“一炉带两机”到“一炉带一机”的在线切换。以上功能可通过增加旁路管道和相应阀门配置实现。提高了机组运行的灵活性和经济性。


