授权公布号:CN215735805U
一种花生收获机抛果装置
有效
申请
2021-08-23
申请公布
1970-01-01
授权
2022-02-08
预估到期
2031-08-23
| 申请号 | CN202121985647.6 |
| 申请日 | 2021-08-23 |
| 授权公布号 | CN215735805U |
| 授权公告日 | 2022-02-08 |
| 分类号 | A01D29/00;A01D33/00;A01D33/10;A01D33/08 |
| 分类 | 农业;林业;畜牧业;狩猎;诱捕;捕鱼; |
| 申请人名称 | 河南沃德机械制造有限公司 |
| 申请人地址 | 河南省新乡市辉县市产业集聚区洪洲园区 |
专利法律状态
2022-02-08
授权
状态信息
授权
摘要
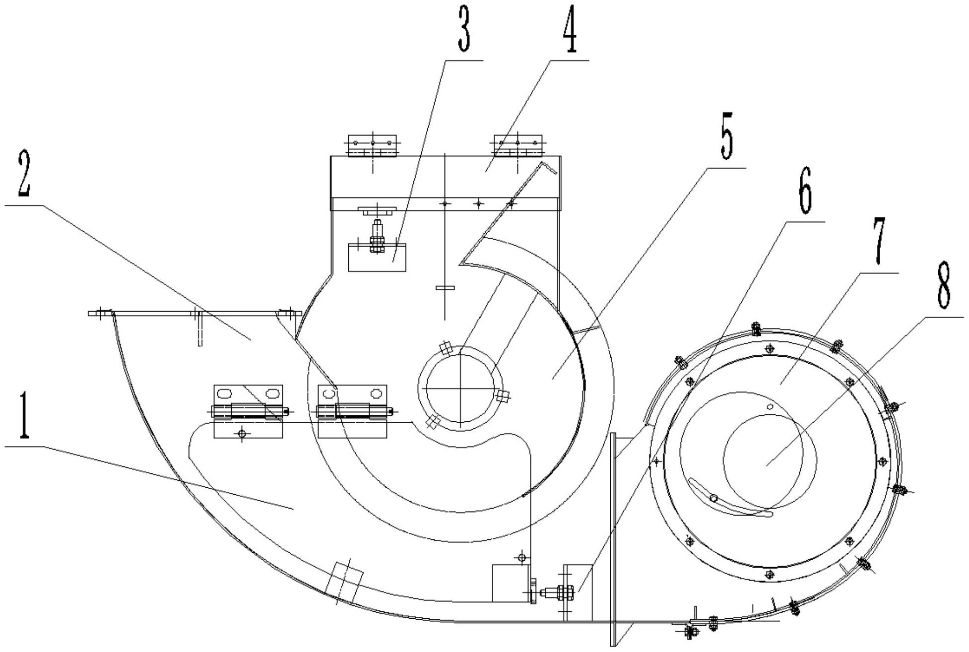
本实用新型涉及农机设备技术领域,具体公开了一种花生收获机抛果装置,包括设置于输送绞龙端部的抛果箱,所述抛果箱的垂直与所述绞龙方向设置有抛送风机,所述抛果箱的顶部位于绞龙的正上方铰接设置有顶盖,所述顶盖与所述抛果箱之间设置有使其保持关闭状态的复位装置,所述顶盖远离铰接位置一侧设置有堵塞报警装置,所述抛果箱的底部铰接设置有清理盖板,所述清理盖板与所述抛果箱之间设置有使其保持封闭状态的固定装置。本实用新型通过顶盖和堵塞报警装置,可以在抛果箱内发生堵塞时,利用果实的推力实现报警装置的动作,一方面减少了果实的洒落浪费,另一方面也降低了堵塞报警装置维护的难度,提高了堵塞报警装置的工作可靠性。


