授权公布号:CN103548485B
一种秸秆切割集拢型的自走式玉米收获机
有效
申请
2013-10-26
申请公布
2014-02-05
授权
2015-12-02
预估到期
2033-10-26
| 申请号 | CN201310510330.0 |
| 申请日 | 2013-10-26 |
| 申请公布号 | CN103548485A |
| 申请公布日 | 2014-02-05 |
| 授权公布号 | CN103548485B |
| 授权公告日 | 2015-12-02 |
| 分类号 | A01D43/00;A01D43/06 |
| 分类 | 农业;林业;畜牧业;狩猎;诱捕;捕鱼; |
| 申请人名称 | 山东宁联机械制造有限公司 |
| 申请人地址 | 山东省泰安市宁阳县八仙桥经济技术开发区 |
专利法律状态
2019-08-02
专利权的保全及其解除
状态信息
专利权的保全IPC(主分类):A01D 43/00授权公告日:20151202登记生效日:20190608
2019-08-02
专利权的保全及其解除
状态信息
专利权保全的解除IPC(主分类):A01D 43/00授权公告日:20151202解除日:20190608
2017-08-04
专利权的保全及其解除
状态信息
专利权的保全IPC(主分类):A01D 43/00申请日:20131026授权公告日:20151202登记生效日:20170608
2017-08-04
专利权的保全及其解除
状态信息
专利权保全的解除IPC(主分类):A01D 43/00申请日:20131026授权公告日:20151202解除日:20170608
2017-01-11
专利权的保全及其解除
状态信息
专利权的保全IPC(主分类):A01D 43/00申请日:20131026授权公告日:20151202登记生效日:20161208
2015-12-02
授权
状态信息
授权
2014-03-12
实质审查的生效
状态信息
实质审查的生效IPC(主分类):A01D 43/00申请日:20131026
2014-02-05
公布
状态信息
公开
摘要
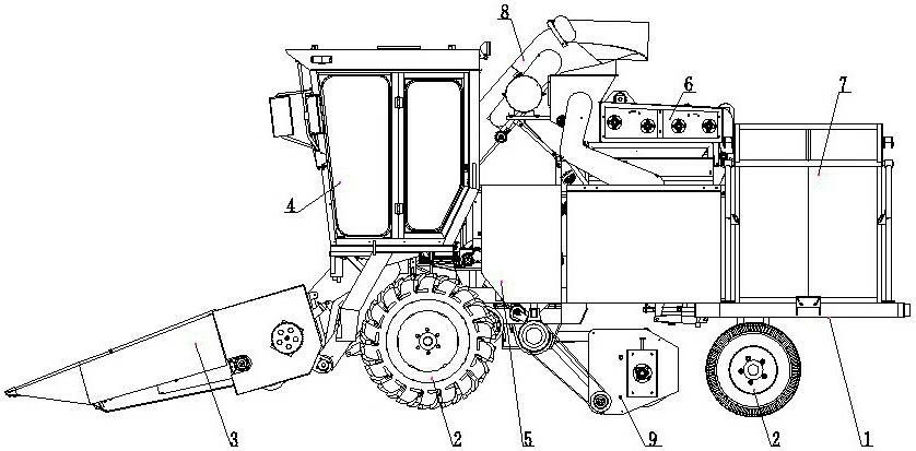
本发明公开了一种秸秆切割集拢型的自走式玉米收获机,属于玉米收获机,所解决技术问题为如何将玉米秸秆切割后集拢并成拢堆放在田间;其结构为自走式玉米收获机车架下方、前后行走轮之间安装有秸秆切割集拢机,秸秆切割集拢机包括秸秆切割集拢机壳体焊合、秸秆切割刀轴组合、秸秆集拢搅龙组合、传动装置,秸秆切割刀轴组合、秸秆集拢搅龙组合安装在秸秆切割集拢机壳体焊合内部,秸秆切割刀轴组合设置安装在秸秆切割集拢机壳体焊合的前下部,秸秆集拢搅龙组合位于秸秆切割刀轴组合的后上部,发动机的动力传动至秸秆切割集拢机的传动装置,传动装置带动秸秆切割刀轴组合与秸秆集拢搅龙组合。


