授权公布号:CN112945459B
一种力信号调理器的零偏温度补偿方法
有效
申请
2021-02-25
申请公布
2021-06-11
授权
2023-04-14
预估到期
2041-02-25
| 申请号 | CN202110212790.X |
| 申请日 | 2021-02-25 |
| 申请公布号 | CN112945459A |
| 申请公布日 | 2021-06-11 |
| 授权公布号 | CN112945459B |
| 授权公告日 | 2023-04-14 |
| 分类号 | G01L25/00;G01L27/00 |
| 分类 | 测量;测试; |
| 申请人名称 | 中航电测仪器股份有限公司 |
| 申请人地址 | 陕西省汉中市经济开发北区鑫源路 |
专利法律状态
2023-04-14
授权
状态信息
授权
2021-07-02
实质审查的生效
状态信息
实质审查的生效;IPC(主分类):G01L 25/00;专利申请号:202110212790X;申请日:20210225
2021-06-11
公布
状态信息
公布
摘要
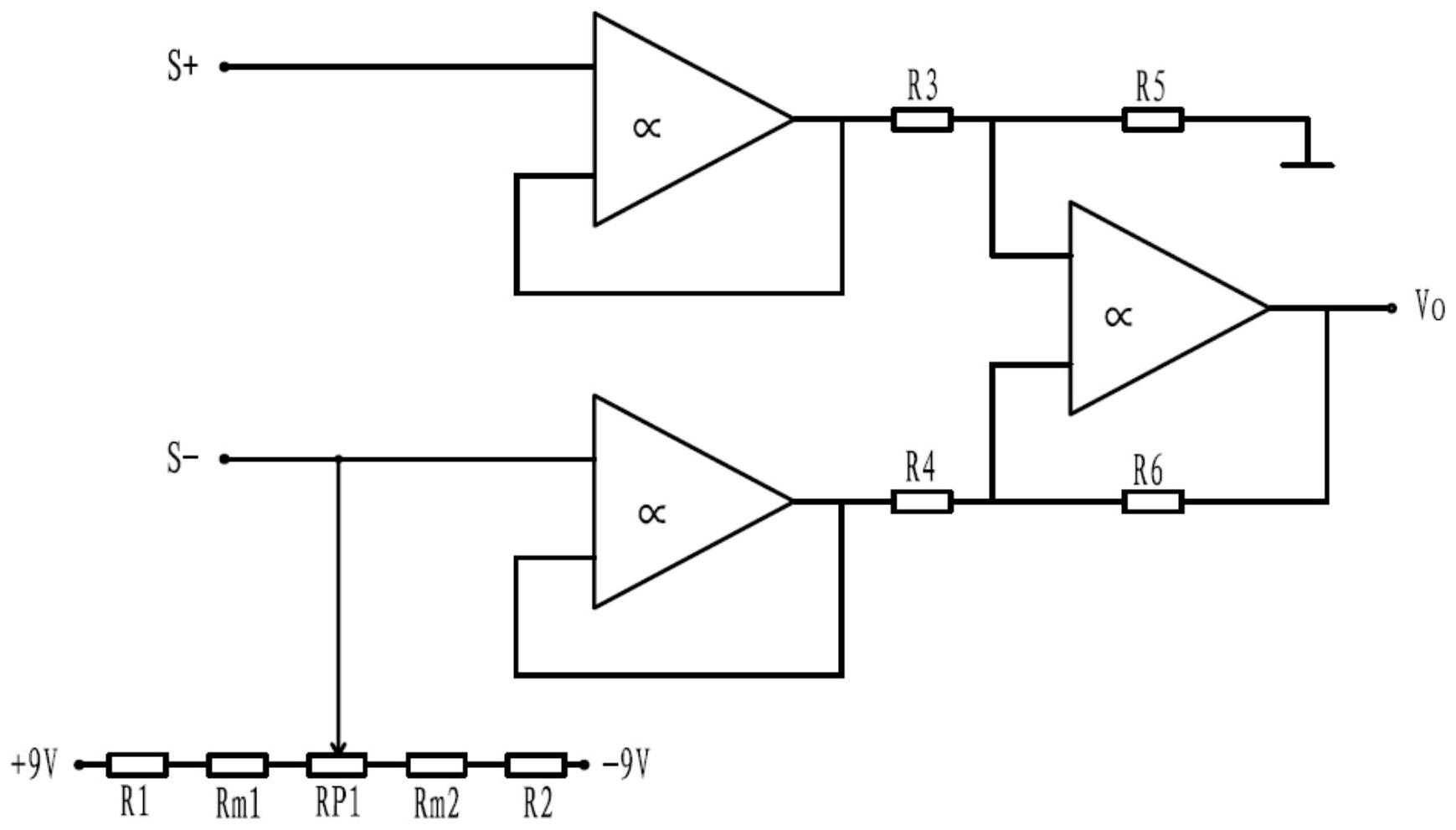
本发明公开了一种力信号调理器的零偏温度补偿电路及方法,包括放大电路、放大器调零电路和温度补偿电阻Rm;放大器调零电路包括从+9V至‑9V依次串联的电阻R1、可调电阻RP1和电阻R2,可调电阻RP1连接有放大电路的信号输入负S‑;当力信号调理器的零偏输出电压与温度变化成正比时,温度补偿电阻Rm串联在电阻R1和可调电阻RP1之间;当力信号调理器的零偏输出电压与温度变化成反比时,温度补偿电阻Rm串联在可调电阻RP1和电阻R2之间。利用硬件电路,实现力信号调理器零偏温度漂移的精确补偿。


