授权公布号:CN206283251U
隔离型网络信号浪涌保护器
有效
申请
2016-12-12
申请公布
1970-01-01
授权
2017-06-27
预估到期
2026-12-12
| 申请号 | CN201621357283.6 |
| 申请日 | 2016-12-12 |
| 授权公布号 | CN206283251U |
| 授权公告日 | 2017-06-27 |
| 分类号 | H02H9/04;H02H9/02 |
| 分类 | 发电、变电或配电; |
| 申请人名称 | 广东安迅防雷科技股份有限公司 |
| 申请人地址 | 广东省深圳市龙岗区布吉街道上水径下七块达成工业园研发综合楼第四层 |
专利法律状态
2017-06-27
授权
状态信息
授权
摘要
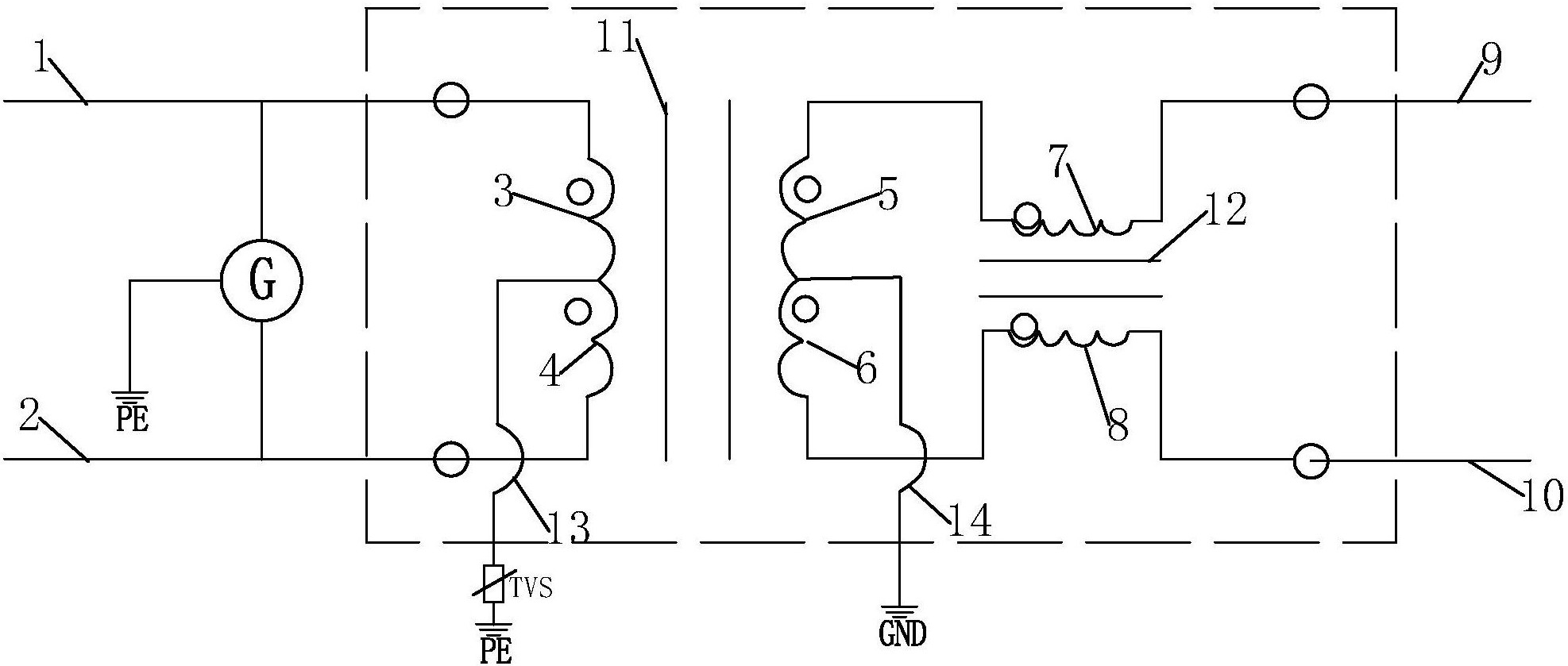
隔离型网络信号浪涌保护器,包括依次串联的第一输入端、第一初级变压器线圈、第二初级变压器线圈及第二输入端,隔离型网络信号浪涌保护器还包括依次串联的第一输出端、第一扼流圈线圈、第一次级变压器线圈、第二次级变压器线圈、第二扼流圈线圈及第二输出端,第一初级变压器线圈及第二初级变压器线圈缠绕在变压器铁芯上,第一扼流圈线圈、第二扼流圈线圈缠绕在扼流圈磁芯上;第一输入端与气体放电管的第一端连接,第二输入端与气体放电管的第二端连接。本实用新型将气体放电管、TVS和隔离模块组合起来,可以通过变压器将第一、第二输入端的差分信号用差模耦合线圈通过电磁转换耦合、滤波到第一、第二输出端,又可以在输入端处泄放浪涌能量。


