授权公布号:CN214669296U
一种智能防雷监测仪的监测指示电路
有效
申请
2021-02-08
申请公布
1970-01-01
授权
2021-11-09
预估到期
2031-02-08
| 申请号 | CN202120348464.7 |
| 申请日 | 2021-02-08 |
| 授权公布号 | CN214669296U |
| 授权公告日 | 2021-11-09 |
| 分类号 | G01R19/17;G01R19/00;G01R15/22 |
| 分类 | 测量;测试; |
| 申请人名称 | 广东安迅防雷科技股份有限公司 |
| 申请人地址 | 广东省深圳市龙岗区布吉街道上水径下七块达成工业园研发综合楼第四层 |
专利法律状态
2021-11-09
授权
状态信息
授权
摘要
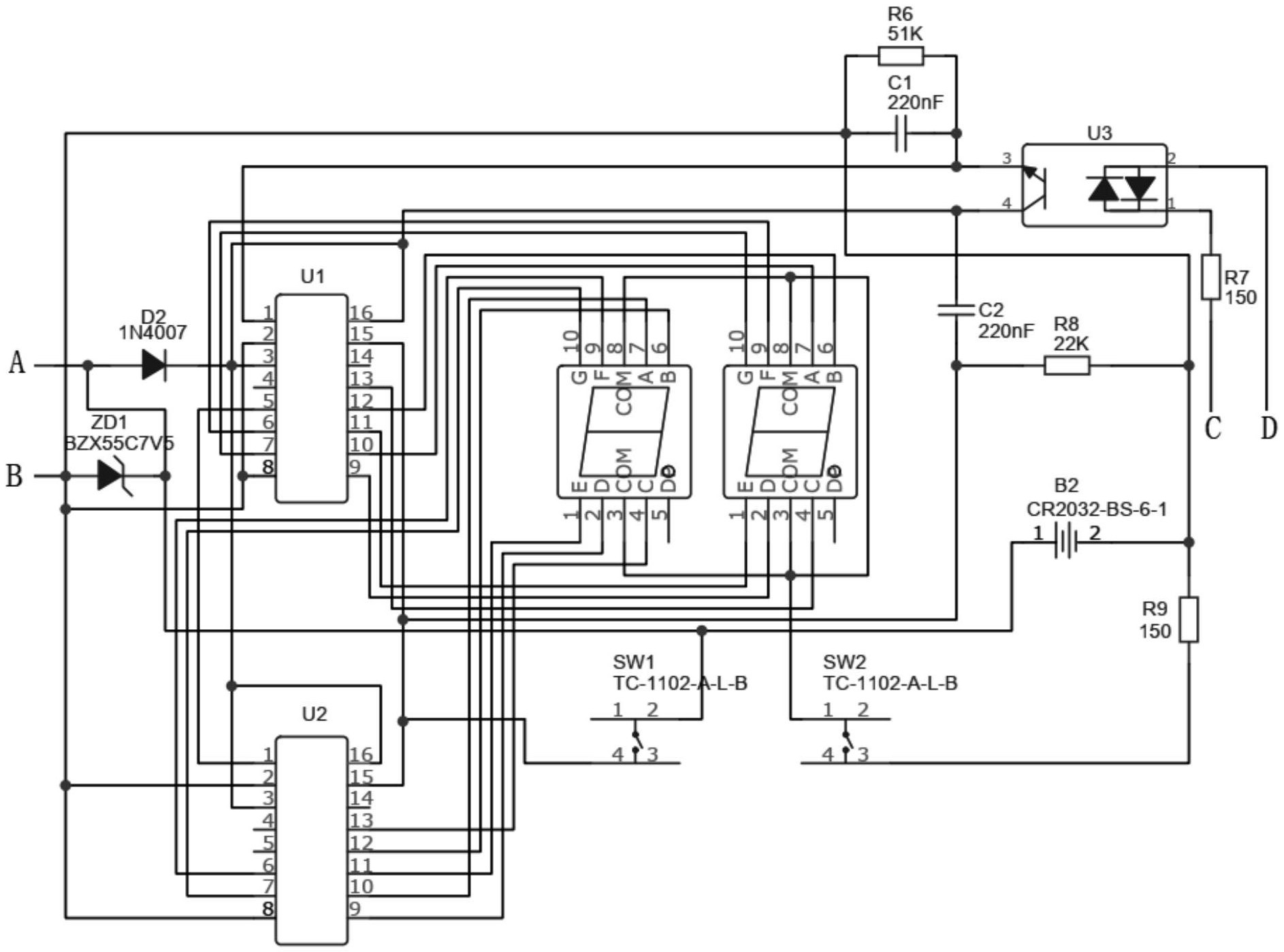
本实用新型公开了一种智能防雷监测仪的监测指示电路,监测指示电路配置有防雷器状态指示灯、电源状态指示灯和雷电计数器等,可实时显示防雷系统中防雷器以及后备保护熔断器(或空开)的工作状态、记录雷击次数,使用方只需检查防雷系统监测仪的指示灯与显示数据,就能掌握防雷系统的工作状态和运行情况,降低了使用方的检修及维护成本,方便使用方对自身供电系统雷击浪涌情况进行整理和统计,降低其供电系统的安全隐患。


