授权公布号:CN218675234U
一种用于直线感应电机的旋转试验装置
有效
申请
2022-11-24
申请公布
1970-01-01
授权
2023-03-21
预估到期
2032-11-24
| 申请号 | CN202223131160.9 |
| 申请日 | 2022-11-24 |
| 授权公布号 | CN218675234U |
| 授权公告日 | 2023-03-21 |
| 分类号 | G01R31/34;G01L5/00 |
| 分类 | 测量;测试; |
| 申请人名称 | 中国铁建股份有限公司 |
| 申请人地址 | 北京市海淀区复兴路40号东院 |
专利法律状态
2023-03-21
授权
状态信息
授权
摘要
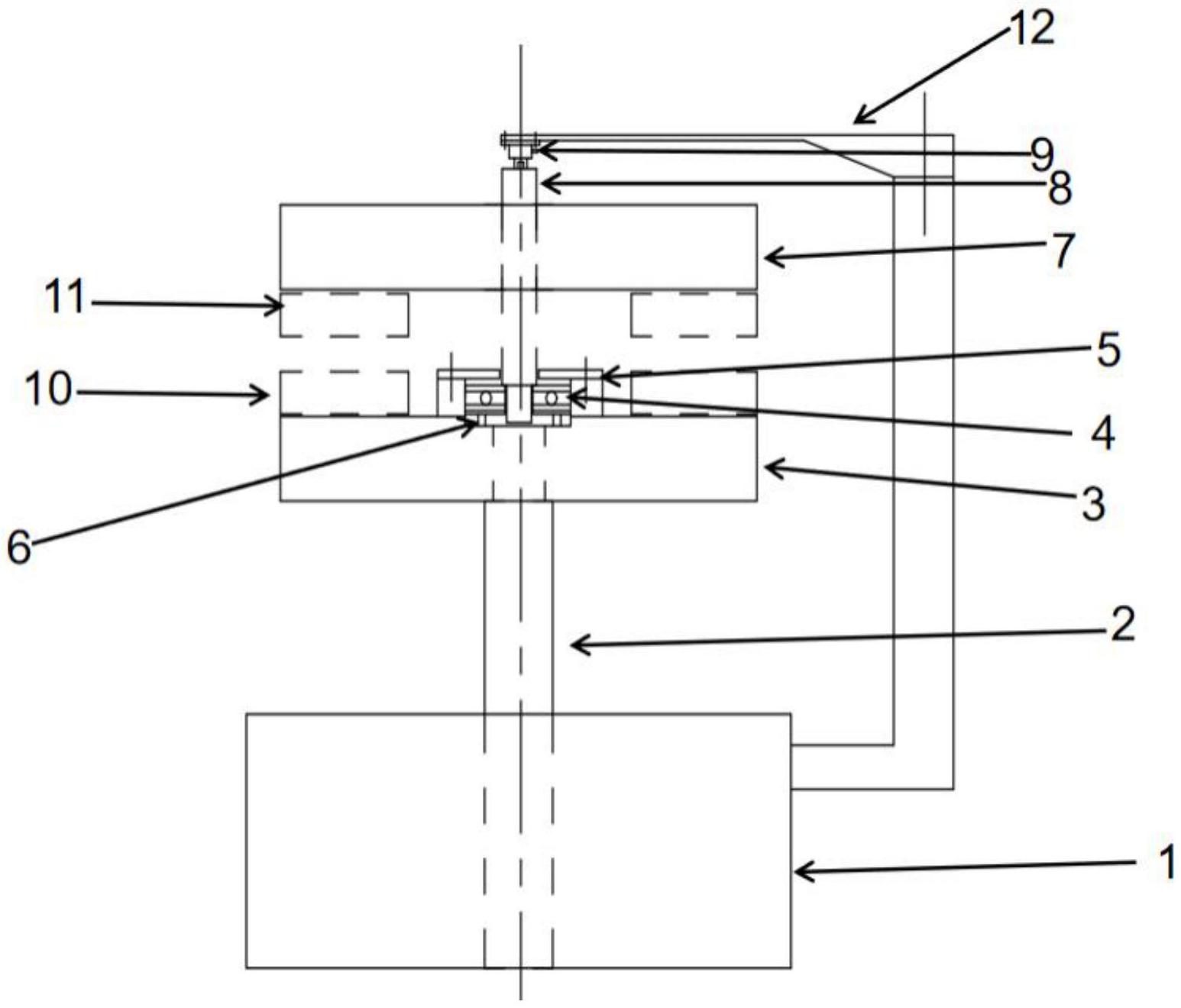
本实用新型提供了一种用于直线感应电机的旋转试验装置,包括下支撑圆盘、推力球轴承、压力传感器、上支撑圆盘、旋转轴和扭矩传感器,旋转轴贯穿所述上支撑圆盘设置且两者同轴线,下支撑圆盘上设有推力球轴承,推力球轴承的下方设有多个压力传感器,旋转轴的下端插入所述推力球轴承中,旋转轴的上端安装扭矩传感器;下支撑圆盘和上支撑圆盘两者之间,其中一件用于安装直线感应电机初级,另一件用于安装直线感应电机次级。该试验装置为上下结构,直线感应电机初级和直线感应电机次级的安装方便,直接将旋转轴和上支撑圆盘整体拆卸即可;直线感应电机初级和直线感应电机次级之间的位置关系与实际工况相符,测试值能加准确和具有参考性。


