授权公布号:CN205070869U
一种有报警功能的单台电力机械设备的三地联锁电控装置
有效
申请
2015-10-29
申请公布
1970-01-01
授权
2016-03-02
预估到期
2025-10-29
| 申请号 | CN201520849611.3 |
| 申请日 | 2015-10-29 |
| 授权公布号 | CN205070869U |
| 授权公告日 | 2016-03-02 |
| 分类号 | H02P23/00 |
| 分类 | 发电、变电或配电; |
| 申请人名称 | 中国轻工业西安设计工程有限责任公司 |
| 申请人地址 | 陕西省西安市碑林区柿园路222号 |
专利法律状态
2016-03-02
授权
状态信息
授权
摘要
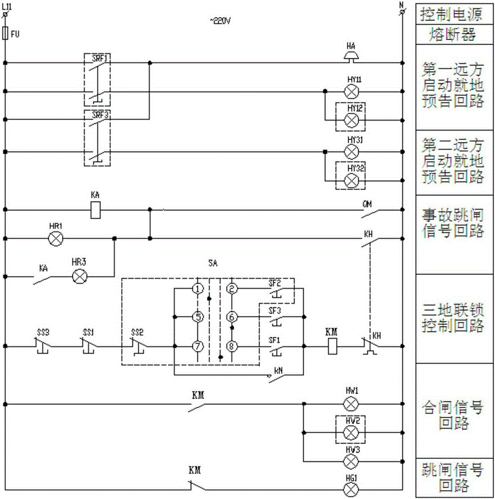
本实用新型涉及一种有报警功能的单台电力机械设备的三地联锁电控装置,这种有报警功能的适用于单台电力机械设备的三地联锁电控装置,包括:主电路、控制电路和控制电源,所述主电路包括依次串联的断路器、接触器、热继电器和三相电机,所述控制电路包括第一远方启动就地预告回路、第二远方启动就地预告回路、事故跳闸信号回路和三地联锁控制回路。本实用新型的有益效果为:本实用新型能够对需要三地控制的单台电力机械设备出现的故障进行报警,既能节省人力物力,也能解决电力机械设备在出现故障时带来的安全问题,具有良好的经济效益、社会效益和环境效益。


