授权公布号:CN204767574U
一种具有冷却盘管保护功能的结晶系统
有效
申请
2015-07-08
申请公布
1970-01-01
授权
2015-11-18
预估到期
2025-07-08
| 申请号 | CN201520486516.1 |
| 申请日 | 2015-07-08 |
| 授权公布号 | CN204767574U |
| 授权公告日 | 2015-11-18 |
| 分类号 | B01D9/02 |
| 分类 | 一般的物理或化学的方法或装置; |
| 申请人名称 | 中国轻工业西安设计工程有限责任公司 |
| 申请人地址 | 陕西省西安市碑林区柿园路222号 |
专利法律状态
2015-11-18
授权
状态信息
授权
摘要
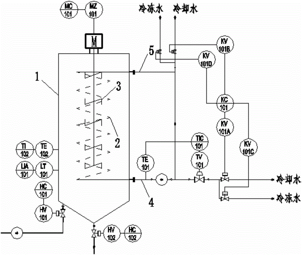
本实用新型属于化工设备领域,具体公开了一种具有冷却盘管保护功能的结晶系统,包括结晶罐(1)、设置在结晶罐(1)内供循环水自下而上流动的冷却盘管(2)、设置在结晶罐(1)内的搅拌设备(3)和设置在结晶罐(1)外分别与冷却盘管(2)的上端和下端连接的循环水输入管(4)和循环水输出管(5),其特征在于,所述循环水输入管(4)和循环水输出管(5)靠近结晶罐(1)的入口端和出口端之间设置有可以测量入口端和出口端压力差的差压变送器(6),所述循环水输入管(4)和循环水输出管(5)之间连接有供循环水分流的分流管(7)。该系统能监测结晶罐冷却盘管的堵塞状况,防止出现压力引起的故障,保证结晶过程顺利进行。


