授权公布号:CN212748792U
一种应用物联网技术的农产品供应链管理系统
有效
申请
2020-09-01
申请公布
1970-01-01
授权
2021-03-19
预估到期
2030-09-01
| 申请号 | CN202021884513.0 |
| 申请日 | 2020-09-01 |
| 授权公布号 | CN212748792U |
| 授权公告日 | 2021-03-19 |
| 分类号 | G01N27/20 |
| 分类 | 测量;测试; |
| 申请人名称 | 广东雪印集团有限公司 |
| 申请人地址 | 广东省韶关市武江区沐溪工业园沐溪大道205号标准厂房D幢3楼304 |
专利法律状态
2021-03-19
授权
状态信息
授权
摘要
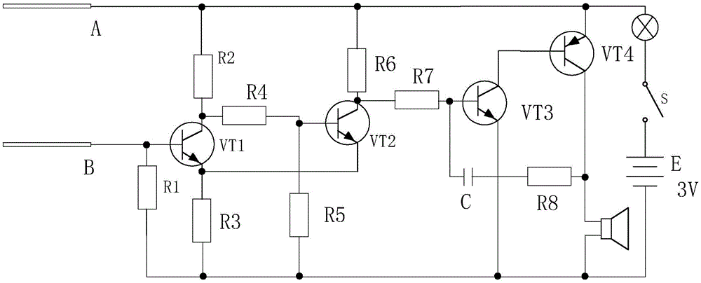
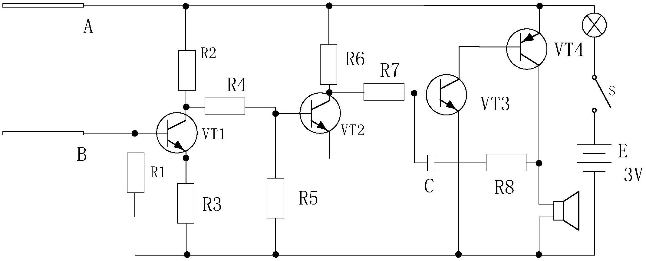
本申请涉及一种应用物联网技术的农产品供应链管理系统,包括:探测头、电阻比较控制电路、提示电路、电源,本申请具有将探测头插入到目标食物内以检测食物的电阻并输出检测信号,电阻比较控制电路对接收到的检测信号进行检测和比较,并输出控制信号至提示电路处,提示电路响应于控制信号以发出提示信号,以提示用户检测的水果已经出现了腐烂的食物。通过将探测头插入到食物内的方式,可以检测到外部完好而内部已经出现腐烂的食物,以便用户及时发现腐烂的食物的效果。


