授权公布号:CN207181603U
一种插头放电辅助装置
有效
申请
2017-08-15
申请公布
1970-01-01
授权
2018-04-03
预估到期
2027-08-15
| 申请号 | CN201721015328.6 |
| 申请日 | 2017-08-15 |
| 授权公布号 | CN207181603U |
| 授权公告日 | 2018-04-03 |
| 分类号 | G01R31/12;G01R31/14 |
| 分类 | 测量;测试; |
| 申请人名称 | 莱茵检测认证服务(中国)有限公司 |
| 申请人地址 | 北京市朝阳区东三环中路乙10号艾维克大厦707室 |
专利法律状态
2018-04-03
授权
状态信息
授权
摘要
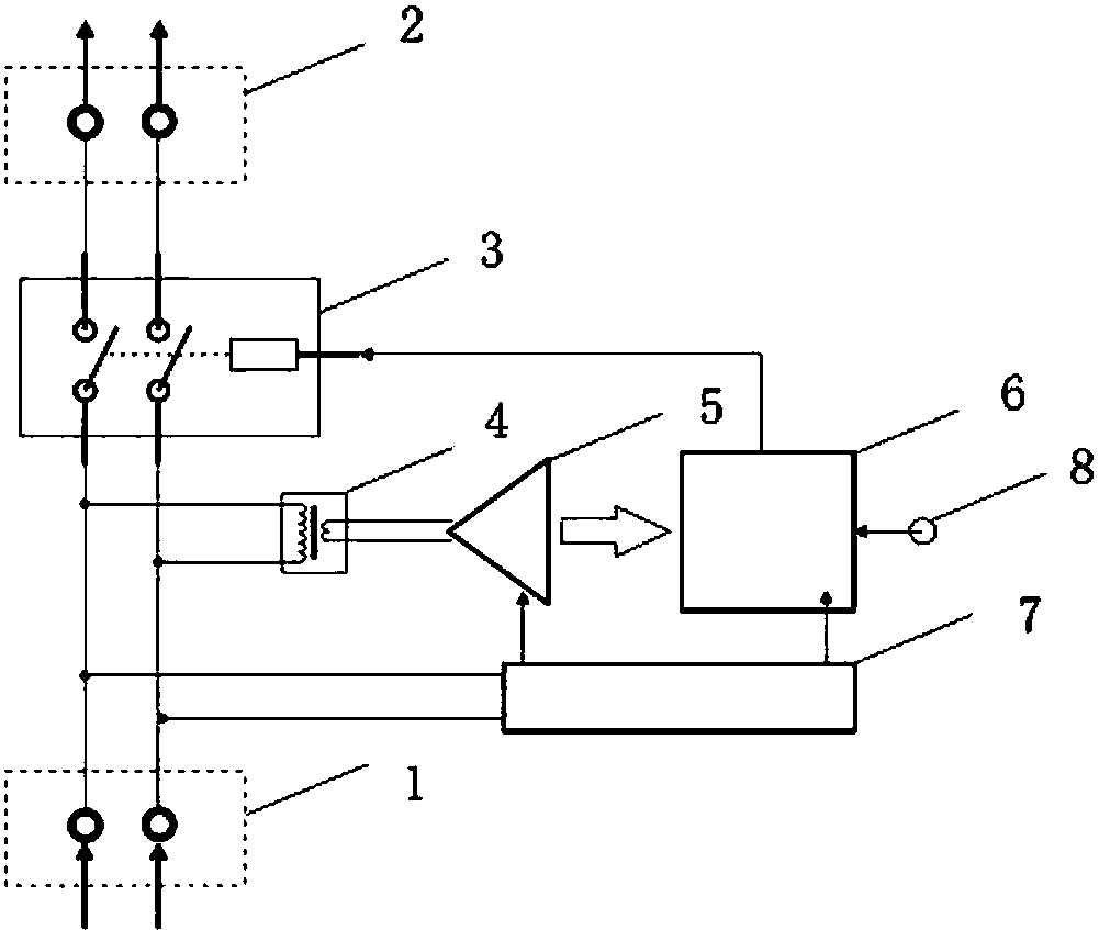
本实用新型公开了一种插头放电辅助装置,包括市电输入端,所述的市电输入端连接有电源系统、降压变压器和继电器,所述的电源系统连接有模数转换芯片和可编程逻辑芯片,所述的降压变压器和模数转换芯片连接,所述的模数转换芯片与可编程逻辑芯片连接,所述的可编程逻辑芯片与继电器连接,所述的继电器连接有市电输出端。本实用新型使用辅助装置来控制开关的断开时间节点,使得供电恰好在最高电压时断开,直接获得最大的衰减时间。


