授权公布号:CN206185446U
一种挤干辊换辊装置
有效
申请
2016-09-27
申请公布
1970-01-01
授权
2017-05-24
预估到期
2026-09-27
| 申请号 | CN201621084389.3 |
| 申请日 | 2016-09-27 |
| 授权公布号 | CN206185446U |
| 授权公告日 | 2017-05-24 |
| 分类号 | B23P19/04 |
| 分类 | 机床;不包含在其他类目中的金属加工; |
| 申请人名称 | 福建凯景新型科技材料有限公司 |
| 申请人地址 | 福建省漳州市台商投资区景福路6号 |
专利法律状态
2017-05-24
授权
状态信息
授权
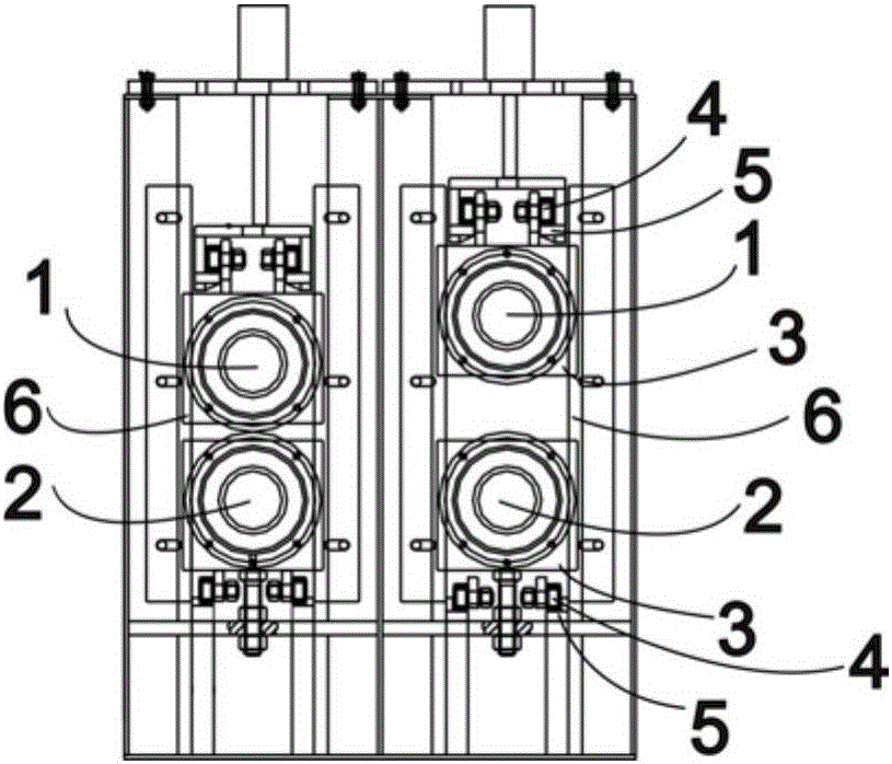
摘要
本实用新型公开了一种挤干辊换辊装置,包括上挤干辊、下挤压辊、轴承座、导轮、导轨、槽体和推车,所述槽体内上下放置所述上挤干辊和所述下挤压辊,所述上挤压辊和所述下挤压辊的中轴的两端均固定所述轴承座,所述轴承座固定所述导轮,所述导轮接触在所述导轨上,换辊状态下,所述上挤干辊或所述下挤压辊在所述推车的牵拉下,所述导轮在所述导轨上滑动。本挤干辊换辊装置通过导轮、导轨、推车的配合,在空间有限的地方也可以省力、速度的进行换辊,减少工作时间。


