授权公布号:CN214391500U
一种适应不同管径的复合管内壁清洗装置
有效
申请
2021-02-04
申请公布
1970-01-01
授权
2021-10-15
预估到期
2031-02-04
| 申请号 | CN202120318741.X |
| 申请日 | 2021-02-04 |
| 授权公布号 | CN214391500U |
| 授权公告日 | 2021-10-15 |
| 分类号 | B08B9/053;B08B13/00 |
| 分类 | 清洁; |
| 申请人名称 | 江苏新澎复合材料有限公司 |
| 申请人地址 | 江苏省淮安市淮阴区王营工业园新澎路1号 |
专利法律状态
2021-10-15
授权
状态信息
授权
摘要
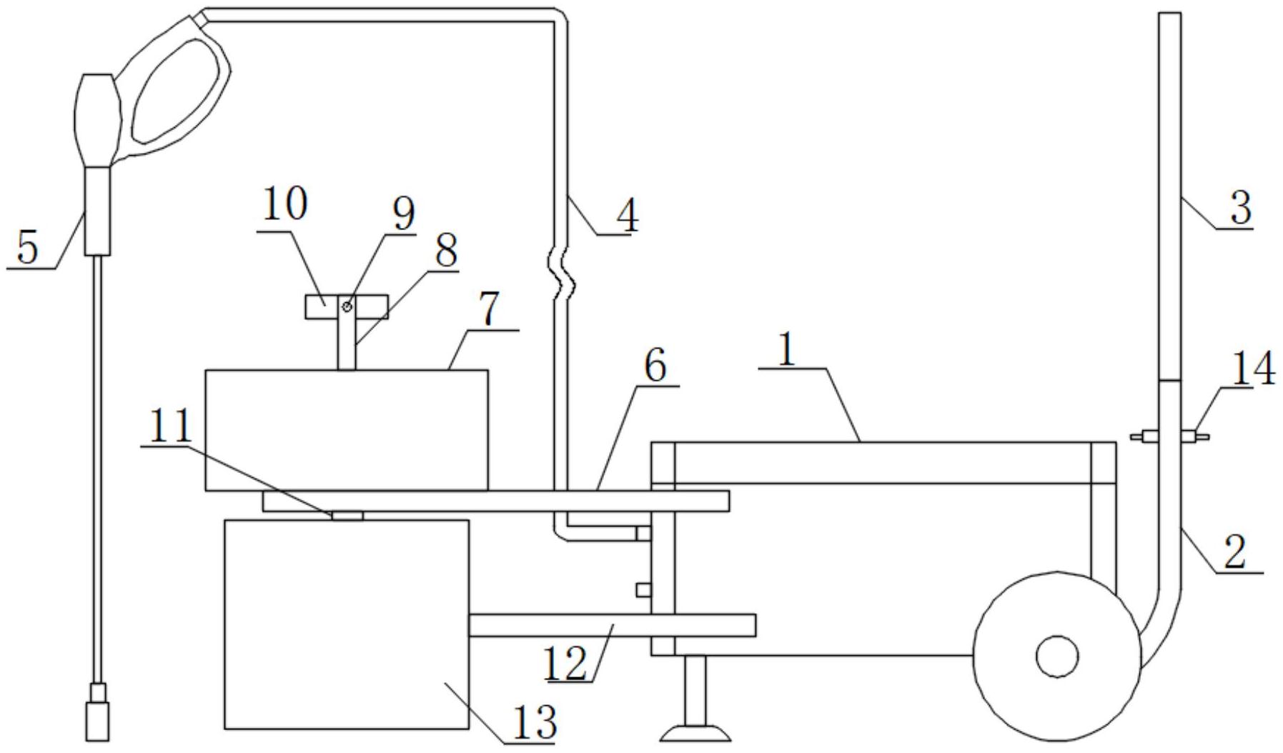
本实用新型公开了一种适应不同管径的复合管内壁清洗装置,包括机体、支撑杆、握杆、水管和喷射枪,所述支撑杆的底端位于机体的底部,所述握杆的底端嵌入支撑杆的顶端内部,所述水管的一端与机体连接及另一端与喷射枪连接,所述机体上设有第一固定杆和第二固定杆,所述第一固定杆上设有过滤箱及所述第二固定杆上设有蓄水箱,过滤箱的顶部设有相对的第二支撑块与第一支撑块,第一支撑块上贯穿有拉杆,拉杆的外侧设有固定环与弹簧;复合管位于两个限位块之间,复合管被限位固定,便于调节两个限位块的间距,适用于不同管径的复合管,清洗的水通过滤网、滤袋和活性炭过滤、吸附后流入蓄水箱内,使清洗用水可重复利用,起到节约用水的目的。


