授权公布号:CN217474423U
固废脱氯处理装置
有效
申请
2022-03-24
申请公布
1970-01-01
授权
2022-09-23
预估到期
2032-03-24
| 申请号 | CN202220676993.4 |
| 申请日 | 2022-03-24 |
| 授权公布号 | CN217474423U |
| 授权公告日 | 2022-09-23 |
| 分类号 | B09B3/38;B09B5/00;F27D17/00;B09B101/30N |
| 分类 | 固体废物的处理;被污染土壤的再生〔3,6〕; |
| 申请人名称 | 河钢集团有限公司 |
| 申请人地址 | 河北省石家庄市体育南大街385号 |
专利法律状态
2022-09-23
授权
状态信息
授权
摘要
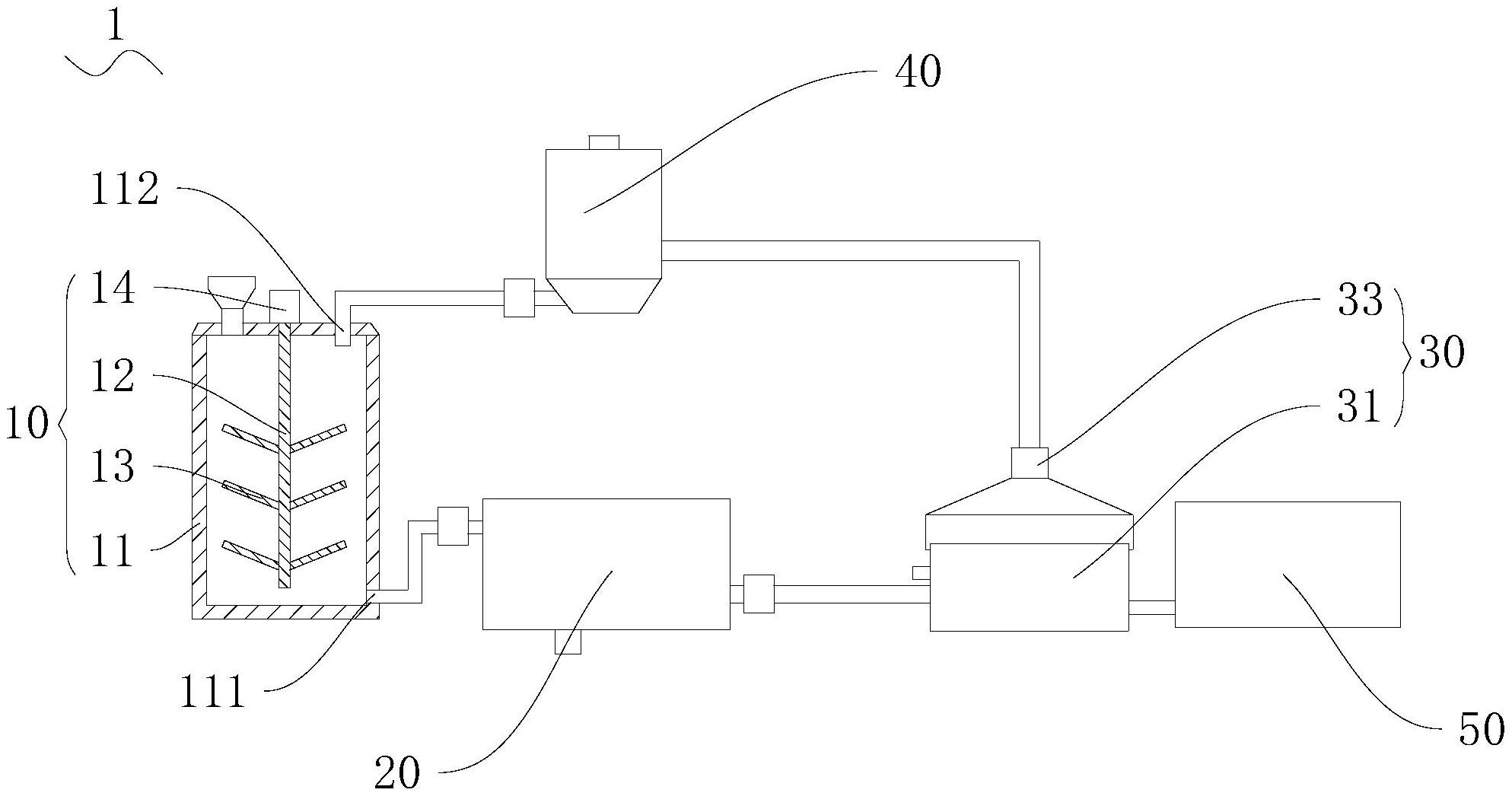
本实用新型提供了一种固废脱氯处理装置,其中搅拌单元具有进料口、排料口以及回水口;泥水分离单元与排料口连通,还具有出泥口和出水口;蒸发单元与出水口连通,具有出气口;余热收集单元,用于向所述蒸发单元提供热能;以及冷凝单元,具有与出气口连通的冷凝入口,以及与回水口连通的冷凝出口。本实用新型中搅拌单元用于对烧结灰等固废水洗脱氯,水洗后通过排料口输送至泥水分离单元,分离后的水洗液进入蒸发单元,蒸发单元能够蒸发掉一部分水,减小转运过程中的运输量,降低运输成本;蒸发时水蒸气通过出气口进入冷凝单元,并在冷凝单元中重新冷凝为液态水,冷凝得到的水能够用于水洗脱氯,从而减小水洗脱氯时的耗水量,节约水资源。


