授权公布号:CN219276147U
具有挡边条保护功能的辊压设备
有效
申请
2023-02-13
申请公布
1970-01-01
授权
2023-06-30
预估到期
2033-02-13
| 申请号 | CN202320218158.0 |
| 申请日 | 2023-02-13 |
| 授权公布号 | CN219276147U |
| 授权公告日 | 2023-06-30 |
| 分类号 | B28B3/12 |
| 分类 | 加工水泥、黏土或石料; |
| 申请人名称 | 科达制造股份有限公司 |
| 申请人地址 | 广东省佛山市顺德区陈村镇广隆工业园环镇西路1号 |
专利法律状态
2023-06-30
授权
状态信息
授权
摘要
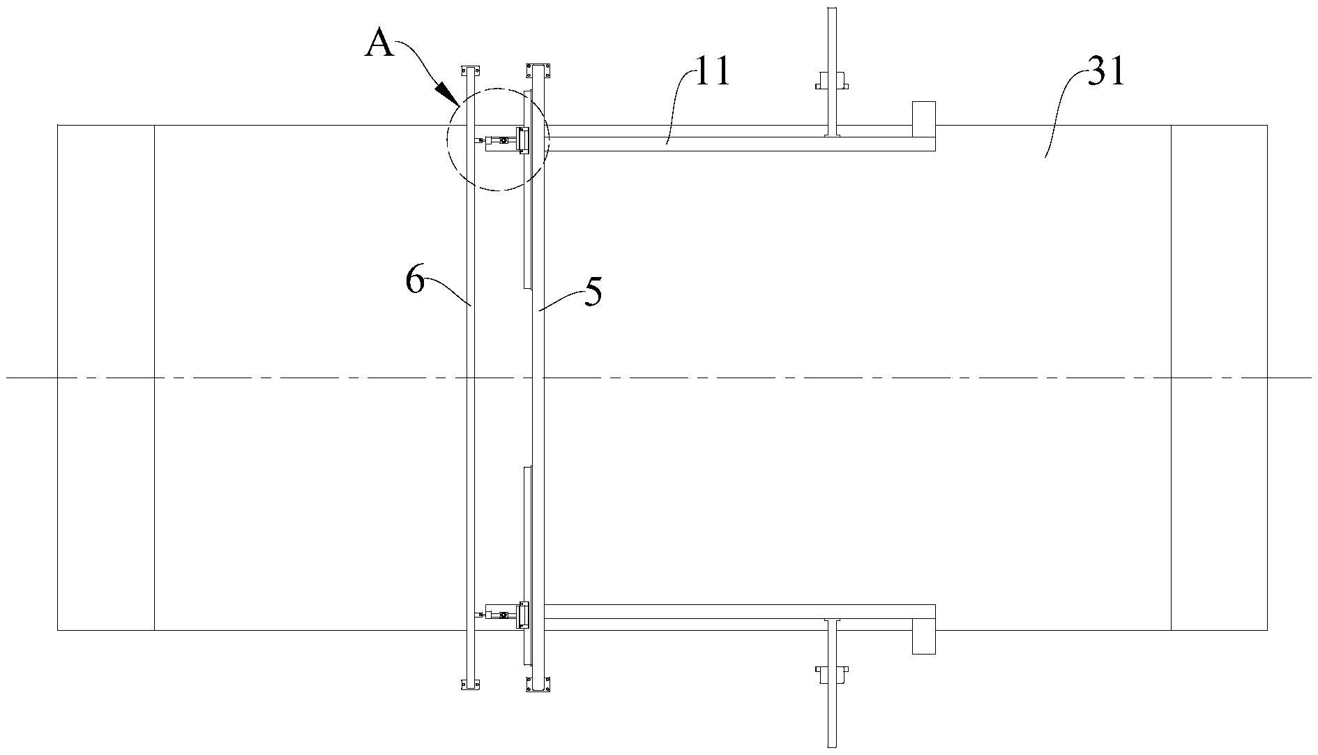
本实用新型提出了具有挡边条保护功能的辊压设备,包括:下输送带;用于约束粉料的挡边条,其滑动抵接于所述下输送带上表面;及挡边保护机构,其包括:机架;第一固定板,其设置于所述挡边条的一端;第二固定板,其连接于所述机架;及压力传感器,其抵接于所述第一固定板和第二固定板之间;其中,所述压力传感器预设有压力阈值,当所述压力传感器受到的压力值大于压力阈值,所述辊压设备停止运行。根据本实用新型实施例的具有挡边条保护功能的辊压设备,通过设置压力传感器,当挡边条受到的力大于压力传感器所预设的压力阈值,此刻压力传感器会发送一个停止运转信号给本辊压设备,以使辊压设备停止工作,防止挡边条脱开或卷入到辊压机压实区中。


