授权公布号:CN220452078U
喷油泵试验台
有效
申请
2023-08-16
申请公布
1970-01-01
授权
2024-02-06
预估到期
2033-08-16
| 申请号 | CN202322202119.4 |
| 申请日 | 2023-08-16 |
| 授权公布号 | CN220452078U |
| 授权公告日 | 2024-02-06 |
| 分类号 | F02M65/00 |
| 分类 | 燃烧发动机;热气或燃烧生成物的发动机装置; |
| 申请人名称 | 河南柴油机重工有限责任公司 |
| 申请人地址 | 河南省洛阳市涧西区中州西路173号 |
专利法律状态
2024-02-06
授权
状态信息
授权
摘要
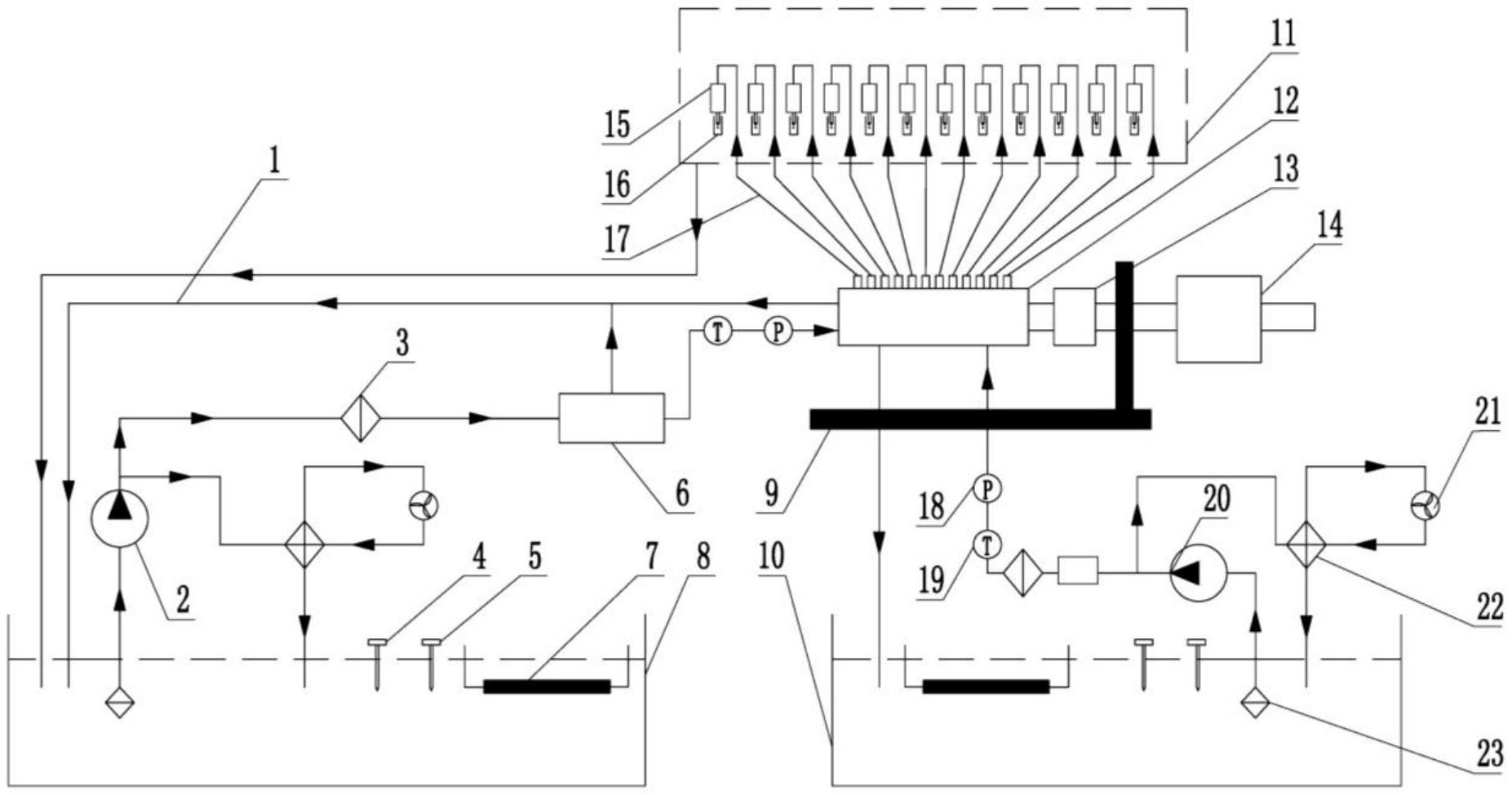
本实用新型公开了一种喷油泵试验台,包括喷油泵、燃油供给系统和滑油供给系统,所述燃油供给系统和滑油供给系统分别向喷油泵内供给燃油和滑油,所述燃油供给系统包括燃油箱、燃油泵和调压阀,滑油供给系统包括滑油箱和滑油泵,所述燃油供给系统与喷油泵间的供给结构和滑油供给系统与喷油泵间的供给结构相同,所述燃油供给系统的供给结构包括加热管、热交换器和冷却风扇,所述加热管设置在燃油箱内,所述燃油泵的输出端与热交换器的输入端连接,本喷油泵试验台可以模拟喷油泵在发动机上的工作过程,准确的检测喷油泵的性能参数,为研发高性能的发动机做好数据收集。


