授权公布号:CN217133815U
带现场位置显示的缆式感温火灾探测器
有效
申请
2022-04-06
申请公布
1970-01-01
授权
2022-08-05
预估到期
2032-04-06
| 申请号 | CN202220781885.3 |
| 申请日 | 2022-04-06 |
| 授权公布号 | CN217133815U |
| 授权公告日 | 2022-08-05 |
| 分类号 | G08B17/06 |
| 分类 | 信号装置; |
| 申请人名称 | 首安工业消防有限公司 |
| 申请人地址 | 北京市顺义区李桥镇南半壁店工业区 |
专利法律状态
2022-08-05
授权
状态信息
授权
摘要
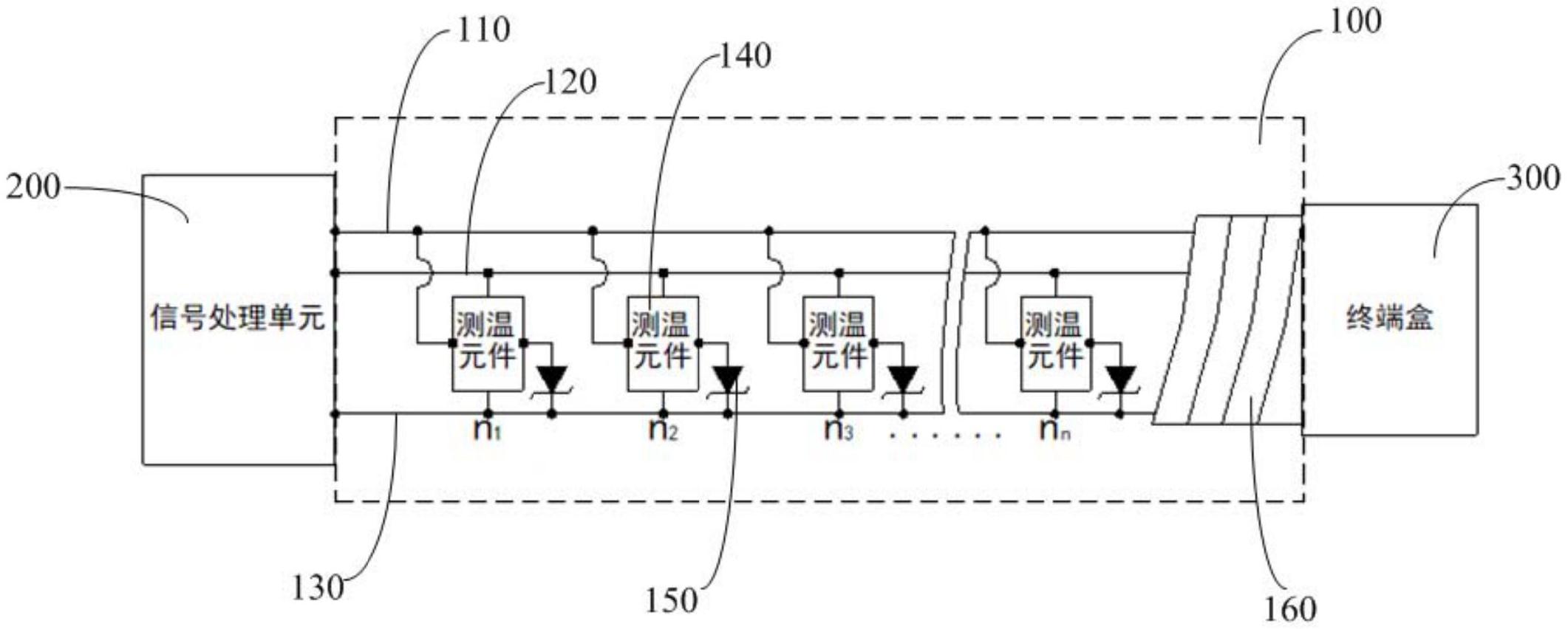
本申请涉及带现场位置显示的缆式感温火灾探测器,用于判断温度超标的具体位置,包括感温电缆、信号处理单元、终端盒;信号处理单元和终端盒分别连接于感温电缆两端;感温电缆包括电源线、信号线、公共接地线、外保护套、测温元件和发光元件;测温元件设置在电源线、信号线和公共接地线之间,发光元件设置在测温元件右侧,且发光元件一端与测温元件连接,另一端与公共接地线连接,发光元件可显示不同颜色信号报警;电源线、信号线、公共接地线、测温元件和发光元件被外保护套包裹,且外保护套为半透明包带。通过将感温电缆的外保护套设置为半透明包带的方式,便于观测具体的发光元件所显示的信号,实现对于故障位置的准确定位,有利于快速处置故障问题。


