授权公布号:CN217625414U
船用低速柴油机氢氧化钠日用储罐装置
有效
申请
2022-05-24
申请公布
1970-01-01
授权
2022-10-21
预估到期
2032-05-24
| 申请号 | CN202221253992.5 |
| 申请日 | 2022-05-24 |
| 授权公布号 | CN217625414U |
| 授权公告日 | 2022-10-21 |
| 分类号 | B65D90/54;B65D90/48;B65D90/22;B65D88/74;B65D90/10;B65D90/66 |
| 分类 | 输送;包装;贮存;搬运薄的或细丝状材料; |
| 申请人名称 | 大连船用柴油机有限公司 |
| 申请人地址 | 辽宁省大连市西岗区海防街1-2号 |
专利法律状态
2022-10-21
授权
状态信息
授权
摘要
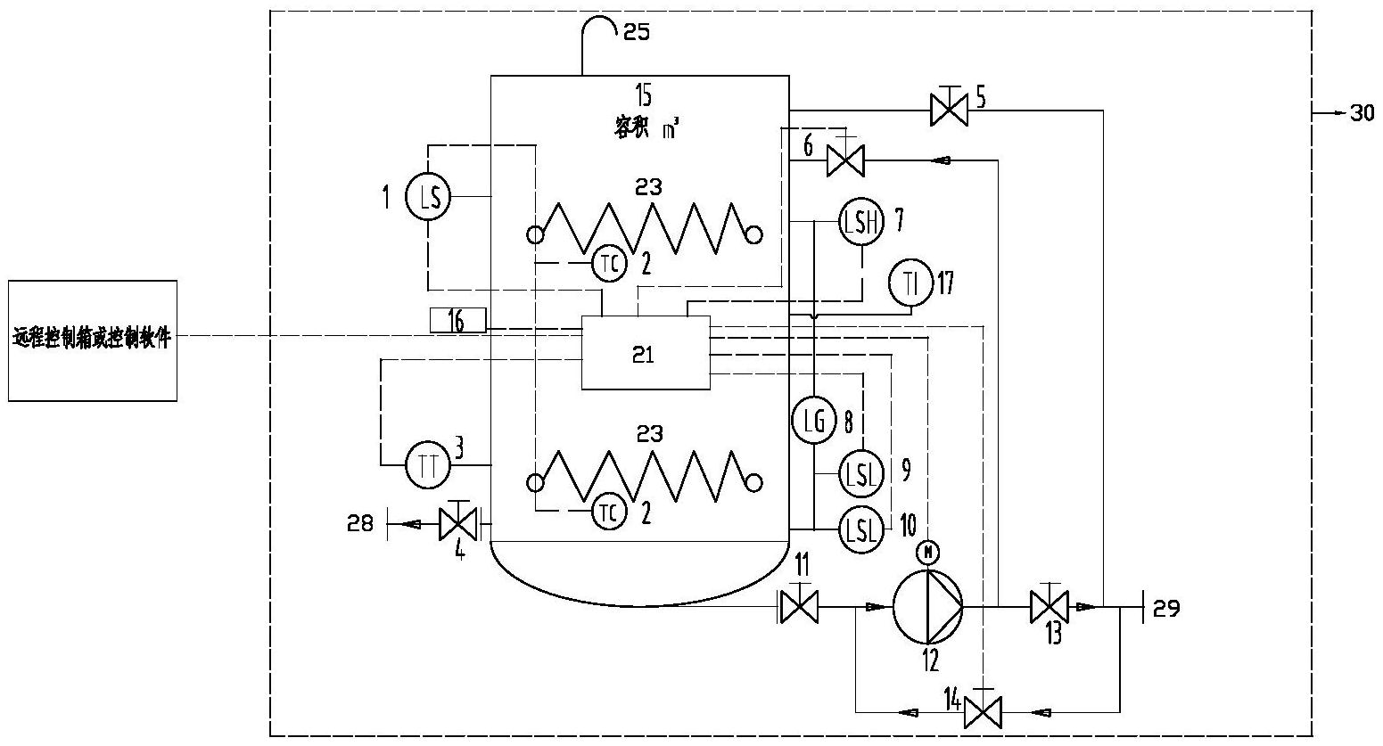
船用低速柴油机氢氧化钠日用储罐装置,有底座,固定在底座上的日用罐本体、电气箱、循环泵,日用罐本体设置在底座一角的上方,循环泵设置在日用罐本体内侧旁边的底座上方,日用罐本体的进口、出口及管路都设置在这一侧,进口的管路设置着电动蝶阀,进口的管路另一端与循环泵的出口连通,出口的管路设置着手动蝶阀,另一端与循环泵连通,循环泵的出口还并联连通着外联管路,外联管路也设置着手动蝶阀;手动蝶阀外端与循环泵连通着一条旁通管路,设置一个电动蝶阀;电气箱设置在循环泵及部分管路的上方,循环泵和电动蝶阀与电气箱连接。装置结构紧凑,功能强大,适用性强。


