授权公布号:CN220600057U
一体式多腔体焦炉煤气鼓风机排水器
有效
申请
2023-07-07
申请公布
1970-01-01
授权
2024-03-15
预估到期
2033-07-07
| 申请号 | CN202321769950.1 |
| 申请日 | 2023-07-07 |
| 授权公布号 | CN220600057U |
| 授权公告日 | 2024-03-15 |
| 分类号 | F04D29/00;F17D3/14 |
| 分类 | 液体变容式机械;液体泵或弹性流体泵; |
| 申请人名称 | 方大特钢科技股份有限公司 |
| 申请人地址 | 江西省南昌市高新技术产业开发区火炬大道31号 |
专利法律状态
2024-03-15
授权
状态信息
授权
摘要
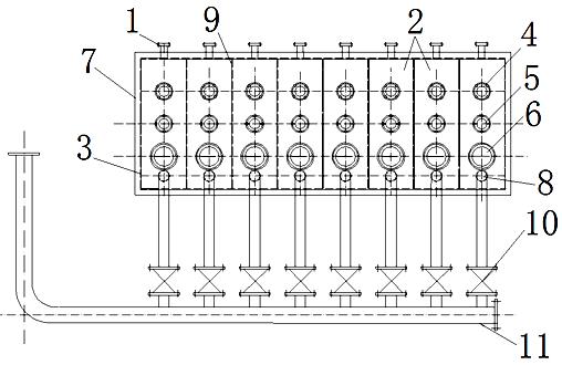
本实用新型公开了一种一体式多腔体焦炉煤气鼓风机排水器,壳体的顶面设置有顶板,壳体内设置有隔板,隔板与隔板之间构成腔室,腔室内安装有水封工作管和排液管,顶板上还设置有检查管和与放散管,排液管上端通过三通与出口阀连接,各出口阀均与收集管连接。本实用新型满足了煤气鼓风机前后不同工作压力的需求,防止煤气鼓风机排出杂质堵塞管道影响焦炉煤气鼓风机稳定运行,有效地解决了焦炉煤气鼓风机运行过程中排液排水的问题,实现了现场集中操作,集中管理,最大限度节约现场的操作空间,对于排出的杂质,如果发生管道堵塞的现象,也可通过操作设置在排液出口的阀门,对该单腔水封进行清扫,从而达到疏导管道的目的。


