授权公布号:CN217534359U
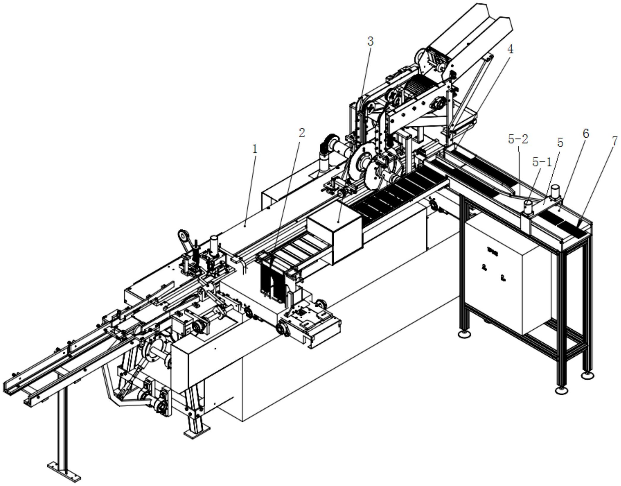
一种连接铅笔刨槽机与胶芯机的分板装置
有效
申请
2022-05-20
申请公布
1970-01-01
授权
2022-10-04
预估到期
2032-05-20
| 申请号 | CN202221213358.9 |
| 申请日 | 2022-05-20 |
| 授权公布号 | CN217534359U |
| 授权公告日 | 2022-10-04 |
| 分类号 | B65G43/08;B65G47/88 |
| 分类 | 输送;包装;贮存;搬运薄的或细丝状材料; |
| 申请人名称 | 安硕文教用品(上海)股份有限公司 |
| 申请人地址 | 上海市青浦区香花桥街道学子南路111号 |
专利法律状态
2022-10-04
授权
状态信息
授权
摘要
本实用新型涉及铅笔生产技术领域,具体地说是一种连接铅笔刨槽机与胶芯机的分板装置。一种连接铅笔刨槽机与胶芯机的分板装置,包括胶芯机、翻转机构、左料仓、右料仓、刨槽机,其特征在于:位于刨槽机的出口处设有分板装置的一端,分板装置的另一端连接Y向输送装置的一端,Y向输送装置的另一端连接右料仓;位于Y向输送装置的左侧连接X向输送装置的一端,X向输送装置的另一端连接左料仓;所述的X向输送装置上设有翻转机构;位于X向输送装置的后方设有胶芯机。同现有技术相比,提供一种连接铅笔刨槽机与胶芯机的分板装置,结构简单,成本低廉,调整方便,更好的融入设备,最终达到每分钟200片的功能,减少人工,提高效率。


