授权公布号:CN204635038U
一种香菇烘干装置
有效
申请
2015-04-26
申请公布
1970-01-01
授权
2015-09-16
预估到期
2025-04-26
| 申请号 | CN201520255182.7 |
| 申请日 | 2015-04-26 |
| 授权公布号 | CN204635038U |
| 授权公告日 | 2015-09-16 |
| 分类号 | A23N12/08 |
| 分类 | 其他类不包含的食品或食料;及其处理; |
| 申请人名称 | 湖北裕国菇业股份有限公司 |
| 申请人地址 | 湖北省随州市随州市经济开发区红旗路1号 |
专利法律状态
2015-09-16
授权
状态信息
授权
摘要
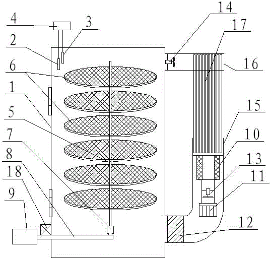
本实用新型公开了一种香菇烘干装置,属于香菇加工设备技术领域,包括箱体和与箱体铰接的箱体门,所述箱体内设有温度传感器、湿度传感器和可以搁置香菇的旋转架,箱体外对应设有温度、湿度显示装置,所述旋转架包括转轴和沿转轴竖直方向均匀间隔布置的多个旋转托盘,所述转轴通过支座与传动轴连接,传动轴与驱动装置连接,所述箱体底部设有进风口,箱体顶部设有出风口,出风口处设有导热管,导热管另一端设置在进风口内,所述进风口连接有防尘、除菌装置,所述进风口一侧内部设有加热装置。该装置结构简单,避免香菇受污染,使香菇在烘干设备内部受热相对均匀,而且还能减少能耗,达到节能减排的目的。


