授权公布号:CN215710834U
盆底一体机用配件收纳装置
有效
申请
2021-08-16
申请公布
1970-01-01
授权
2022-02-01
预估到期
2031-08-16
| 申请号 | CN202121919588.2 |
| 申请日 | 2021-08-16 |
| 授权公布号 | CN215710834U |
| 授权公告日 | 2022-02-01 |
| 分类号 | B65H75/38;B65H75/44;A61B5/00 |
| 分类 | 输送;包装;贮存;搬运薄的或细丝状材料; |
| 申请人名称 | 重庆新骄阳健康产业股份有限公司 |
| 申请人地址 | 重庆市北碚区云禾路70号501 |
专利法律状态
2022-02-01
授权
状态信息
授权
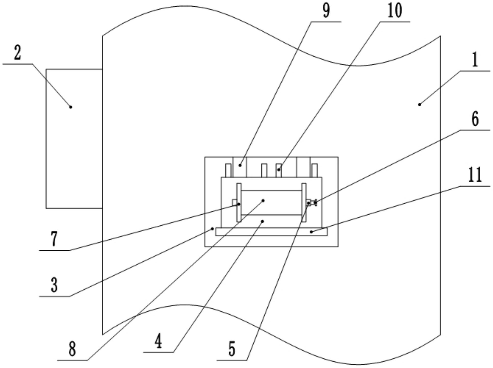
摘要
本实用新型属于产后恢复用仪器领域,具体公开了一种盆底一体机用配件收纳装置,包括固定在主机上的配件盒、用于缠绕电极线的绕线辊,绕线辊的两端均固定有限位环,其中一侧限位环上开设有供电极线端部穿过的限位孔,还包括支架、分别用于对电极线两端进行限位的第一限位块、第二限位块,绕线辊转动连接在支架上,第一限位块、第二限位块上均设有供电极线穿过的安装孔;第一限位块、第二限位块上均设有连接孔,支架上设有用于和连接孔插接配合的连接杆;支架和配件盒可拆卸连接,支架和主机可拆卸连接。采用本实用新型的方案,可以解决在两位客户使用的间隔时间内,每次都将电极线缠绕好收纳进配件盒内较为麻烦的问题。


