授权公布号:CN206137062U
一种热风滚筒炒干机组
有效
申请
2016-08-05
申请公布
1970-01-01
授权
2017-05-03
预估到期
2026-08-05
| 申请号 | CN201620847220.2 |
| 申请日 | 2016-08-05 |
| 授权公布号 | CN206137062U |
| 授权公告日 | 2017-05-03 |
| 分类号 | A23F3/06 |
| 分类 | 其他类不包含的食品或食料;及其处理; |
| 申请人名称 | 安徽省祁门红茶发展有限公司 |
| 申请人地址 | 安徽省黄山市五里碑 |
专利法律状态
2017-05-03
授权
状态信息
授权
摘要
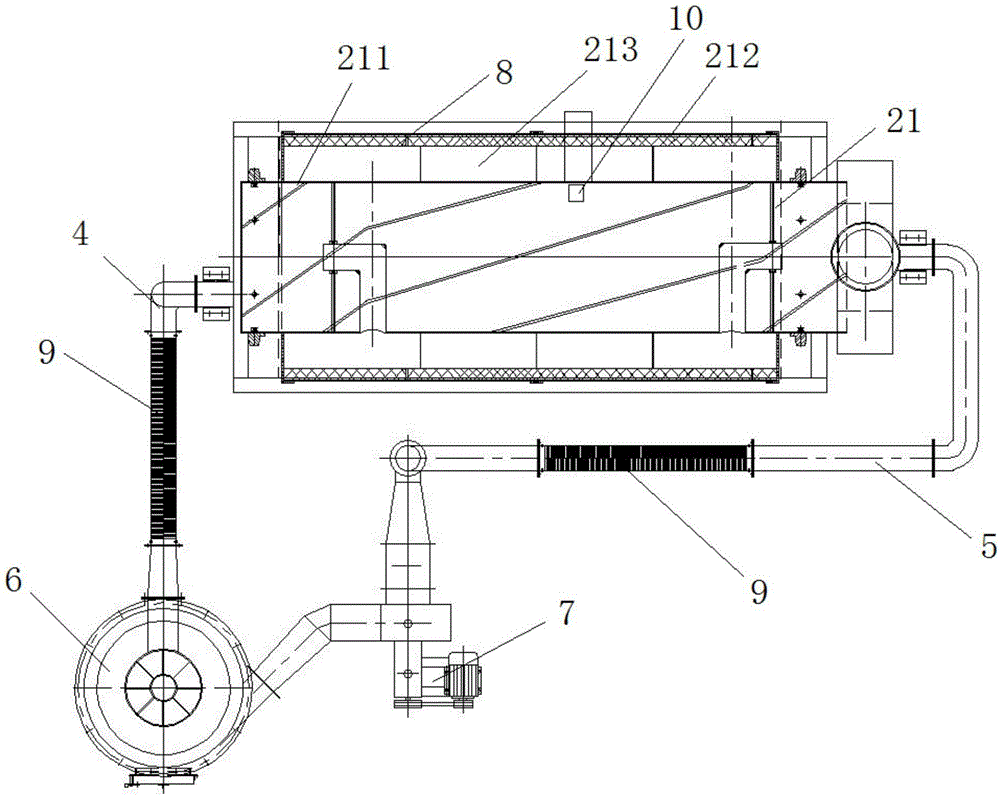
本实用新型公开了一种热风滚筒炒干机组,包括机架,设置在机架上的滚筒炒干机,所述滚筒炒干机包括滚筒,所述滚筒包括与茶叶接触的内壁和外壁,所述内壁和外壁间设置有热风夹层;还设置有热风炉,热风炉与热风夹层的进风口间设置有进风管道,热风炉与热风夹层的出风口间设置有回风管道。本实用新型通过热风夹层间接对滚筒内的茶叶进行加热,能够保证茶叶的香气不散失,保证茶叶的品质和清洁性,同时,热风循环管路能量利用率高,能耗低,加工成本小,可广泛应用于茶叶滚筒炒干机领域。


