授权公布号:CN108977941B
羊绒开松机
有效
申请
2018-09-06
申请公布
2018-12-11
授权
2023-08-22
预估到期
2038-09-06
| 申请号 | CN201811036789.0 |
| 申请日 | 2018-09-06 |
| 申请公布号 | CN108977941A |
| 申请公布日 | 2018-12-11 |
| 授权公布号 | CN108977941B |
| 授权公告日 | 2023-08-22 |
| 分类号 | D01G9/06;D01G9/22 |
| 分类 | 天然或人造的线或纤维;纺纱或纺丝; |
| 申请人名称 | 青岛东佳纺机(集团)有限公司 |
| 申请人地址 | 山东省青岛市黄岛区王台镇巨洋路89号 |
专利法律状态
2023-08-22
授权
状态信息
授权
2019-01-04
实质审查的生效
状态信息
实质审查的生效;IPC(主分类):D01G9/06;申请日:20180906
2018-12-11
公布
状态信息
公布
摘要
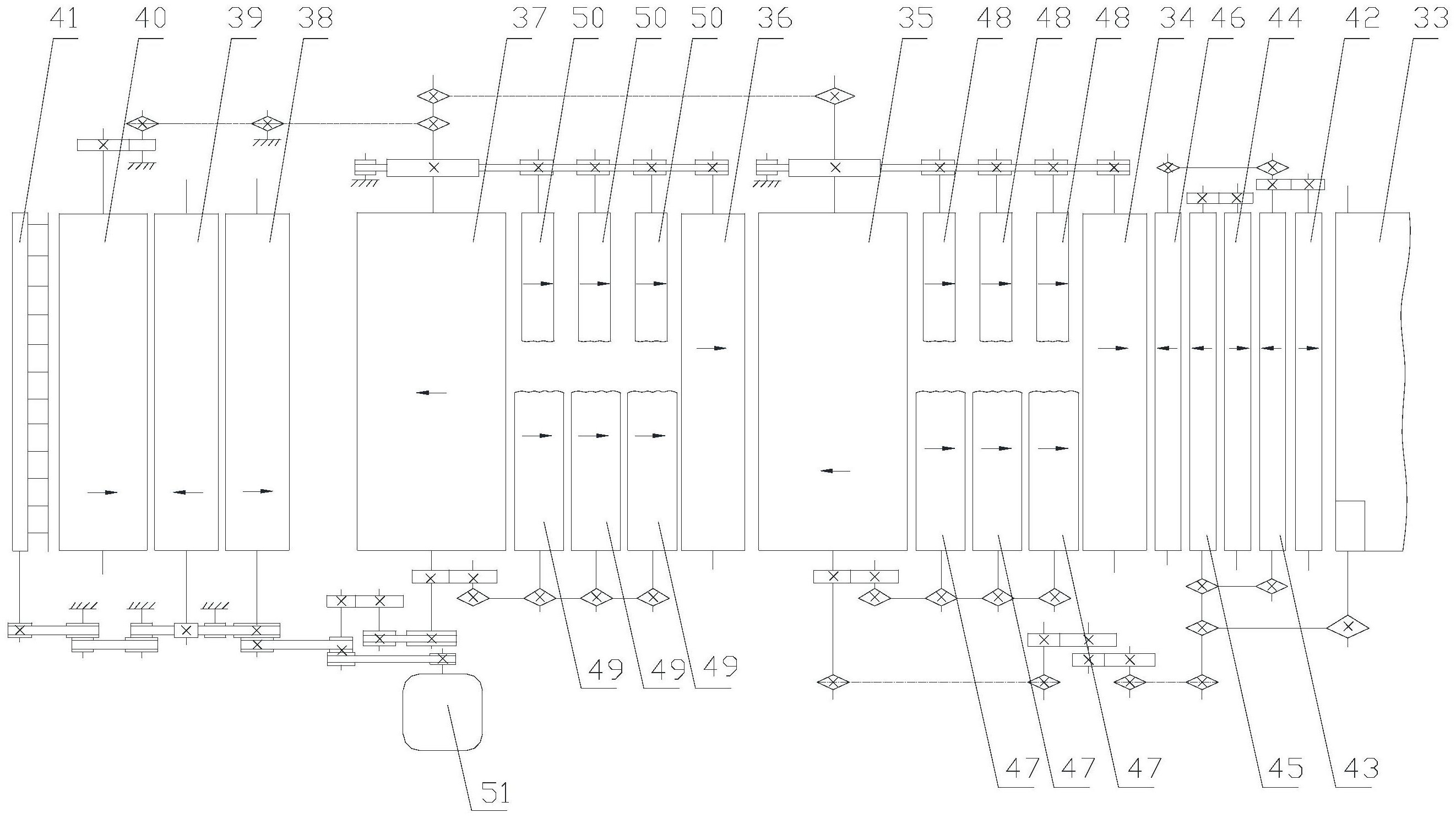
本发明公开了一种羊绒开松机,其包括由后向前依次布置的喂毛机、喂毛辊、刺辊、胸锡林、转移辊、主锡林、第一平梳辊、第二平梳辊、道夫和剥取斩刀;其中,喂毛辊包括后上喂入辊、后下喂入辊、前上喂入辊和前下喂入辊;在前下喂入辊与刺辊之间设有清洁辊;在胸锡林上方设有三对第一工作与剥毛辊组,在主锡林上方设有三对第二工作与剥毛辊组;每对第一工作与剥毛辊组包括一个第一工作辊和一个第一剥毛辊;每对第二工作与剥毛辊组包括一个第二工作辊和一个第二剥毛辊;羊绒开松机的传动机构包括一个电机、多套皮带传动部件以及多套链轮传动部件。本发明利用一个电机带动羊绒开松机的各个辊同步启停,从而保证整机启停的速度稳定,传动平稳。


