授权公布号:CN209134880U
一种切草机
有效
申请
2018-11-05
申请公布
1970-01-01
授权
2019-07-23
预估到期
2028-11-05
| 申请号 | CN201821811288.0 |
| 申请日 | 2018-11-05 |
| 授权公布号 | CN209134880U |
| 授权公告日 | 2019-07-23 |
| 分类号 | A01F29/06 |
| 分类 | 农业;林业;畜牧业;狩猎;诱捕;捕鱼; |
| 申请人名称 | 万华禾香生态科技股份有限公司 |
| 申请人地址 | 河南省信阳市羊山新区家居小镇纬北一路南侧、经北八路东侧 |
专利法律状态
2023-11-24
专利申请权、专利权的转移
状态信息
专利权的转移;IPC(主分类):A01F 29/06;专利号:ZL2018218112880;登记生效日:20231107;变更事项:专利权人;变更前权利人:万华禾香生态科技股份有限公司;变更后权利人:万华禾香集团有限公司;变更事项:地址;变更前权利人:102200 北京市昌平区科技园区星火街5号;变更后权利人:464000 河南省信阳市羊山新区家居小镇纬北一路南侧、经北八路东侧
2020-08-14
专利权人的姓名或者名称、地址的变更
状态信息
专利权人的姓名或者名称、地址的变更;IPC(主分类):A01F 29/06;专利号:ZL2018218112880;变更事项:专利权人;变更前:万华生态板业股份有限公司;变更后:万华禾香生态科技股份有限公司;变更事项:地址;变更前:102200 北京市昌平区科技园区星火街5号;变更后:102200 北京市昌平区科技园区星火街5号
2019-07-23
实用新型专利权授予
状态信息
授权
摘要
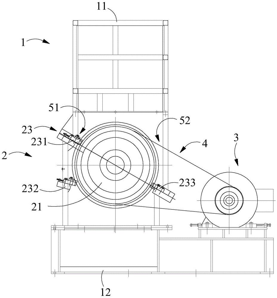
本实用新型公开一种切草机,涉及人造板加工技术领域。该切草机,包括外壳,其顶端设置有进料口且底端设置有出料口,外壳内设置有用于切割物料的切割组件,外壳的一侧设置有驱动组件,驱动组件通过传动组件为切割组件提供驱动力,传动组件与刀辊连接以驱动刀辊转动;多组第一刀片组件间隔在刀辊上;多组底刀架组件固定在外壳的另外两个内壁上,底刀架组件与刀辊之间形成通道,底刀架组件上设置有直刃底刀和凸出直刃底刀并间隔设置的多组第二刀片组件,第一刀片组件和第二刀片组件交错设置。本实用新型提出的切草机,与现有技术相比,剪切后的秸秆长度均匀,减少了未被剪切的长秸秆的量,剪切效率高。


