授权公布号:CN101221675B
与插卡式电度表配合使用的控制装置
有效
申请
2007-12-30
申请公布
2008-07-16
授权
2011-05-25
预估到期
2027-12-30
| 申请号 | CN200710307584.7 |
| 申请日 | 2007-12-30 |
| 申请公布号 | CN101221675A |
| 申请公布日 | 2008-07-16 |
| 授权公布号 | CN101221675B |
| 授权公告日 | 2011-05-25 |
| 分类号 | G07F15/00;H03K17/292 |
| 分类 | 核算装置; |
| 申请人名称 | 人民电器集团有限公司 |
| 申请人地址 | 浙江省乐清市柳市镇人民工业园(乐清经济开发区) |
专利法律状态
2015-07-08
专利申请权、专利权的转移
状态信息
专利权的转移;IPC(主分类):G07F15/00;变更事项:专利权人;变更前:人民电器集团有限公司;变更后:人民电器集团仪器仪表有限公司;变更事项:地址;变更前:325604 浙江省乐清市柳市人民工业园区;变更后:325604 浙江省乐清市柳市镇人民工业园(乐清经济开发区);登记生效日:20150616
2011-05-25
授权
状态信息
授权
2009-10-14
实质审查的生效
状态信息
实质审查的生效
2008-07-16
公布
状态信息
公布
摘要
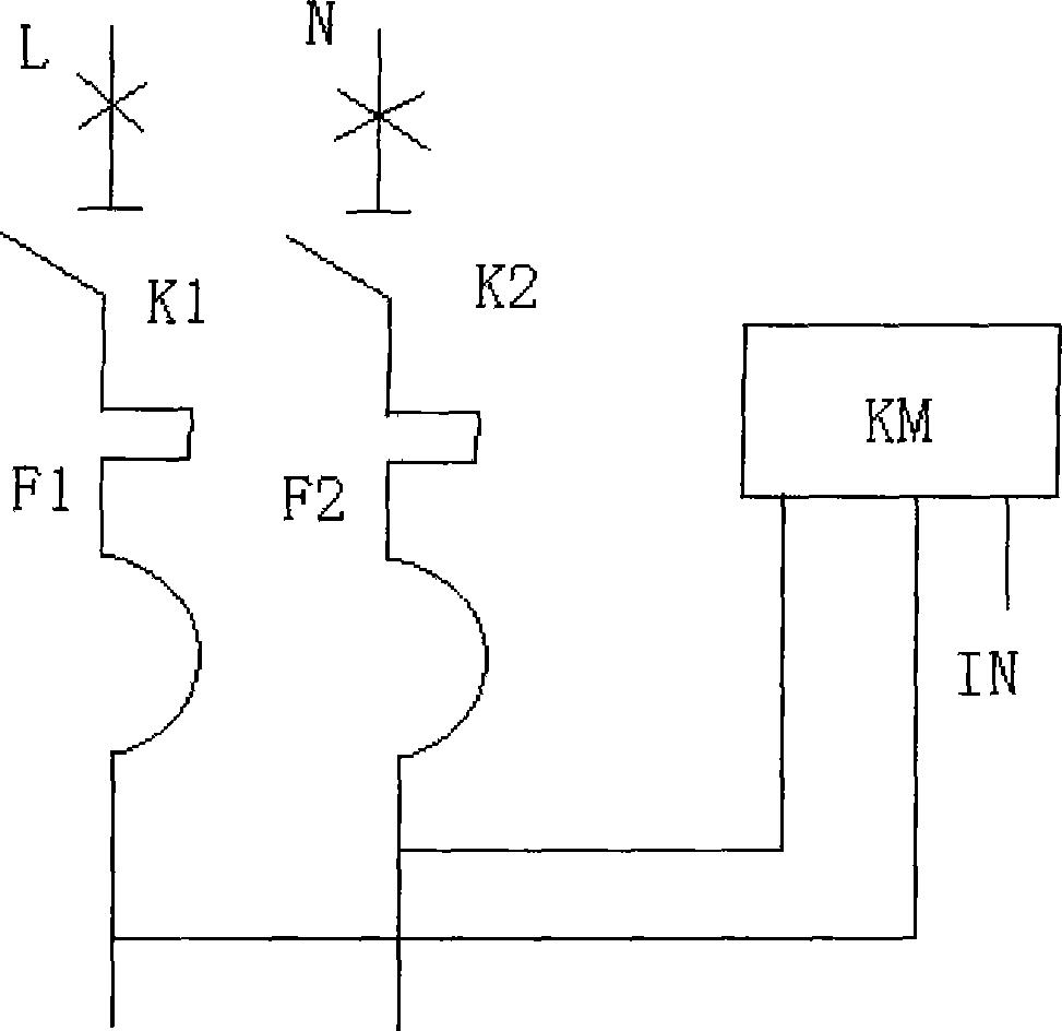
本发明涉及一种与插卡式电度表配合使用的控制装置,包括用于控制插卡式电度表输出电源通断的断路器;断路器的第一常开接触开关和第二常开接触开关分别串接在插卡式电度表的火线输出线路和零线输出线路中;插卡式电度表的通电信号输出端接断路器的闭合控制电压信号输入端。电费用完后,断路器的IN端无电压信号,断路器延时0.2-2s后断开;当用户购买电量后,将IC卡插入插卡式电度表,插卡式电度表输出闭合控制电压信号,断路器的IN端得电压信号,可以对断路器进行合闸,用户得电。本发明的断路器具有过载和短路保护特性,因此在使用时故障率低,供电可靠性好。


