授权公布号:CN212440707U
一种脱硫脱硝除尘一体化技术的研制
有效
申请
2020-01-09
申请公布
1970-01-01
授权
2021-02-02
预估到期
2030-01-09
| 申请号 | CN202020044195.0 |
| 申请日 | 2020-01-09 |
| 授权公布号 | CN212440707U |
| 授权公告日 | 2021-02-02 |
| 分类号 | B01D53/75; |
| 分类 | 一般的物理或化学的方法或装置; |
| 申请人名称 | 安徽金森源环保工程有限公司 |
| 申请人地址 | 安徽省阜阳市颍东区新华街道办事处兴业路28号安徽金森源环保工程有限公司办公楼0室 |
专利法律状态
2021-02-02
授权
状态信息
授权
摘要
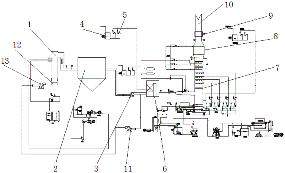
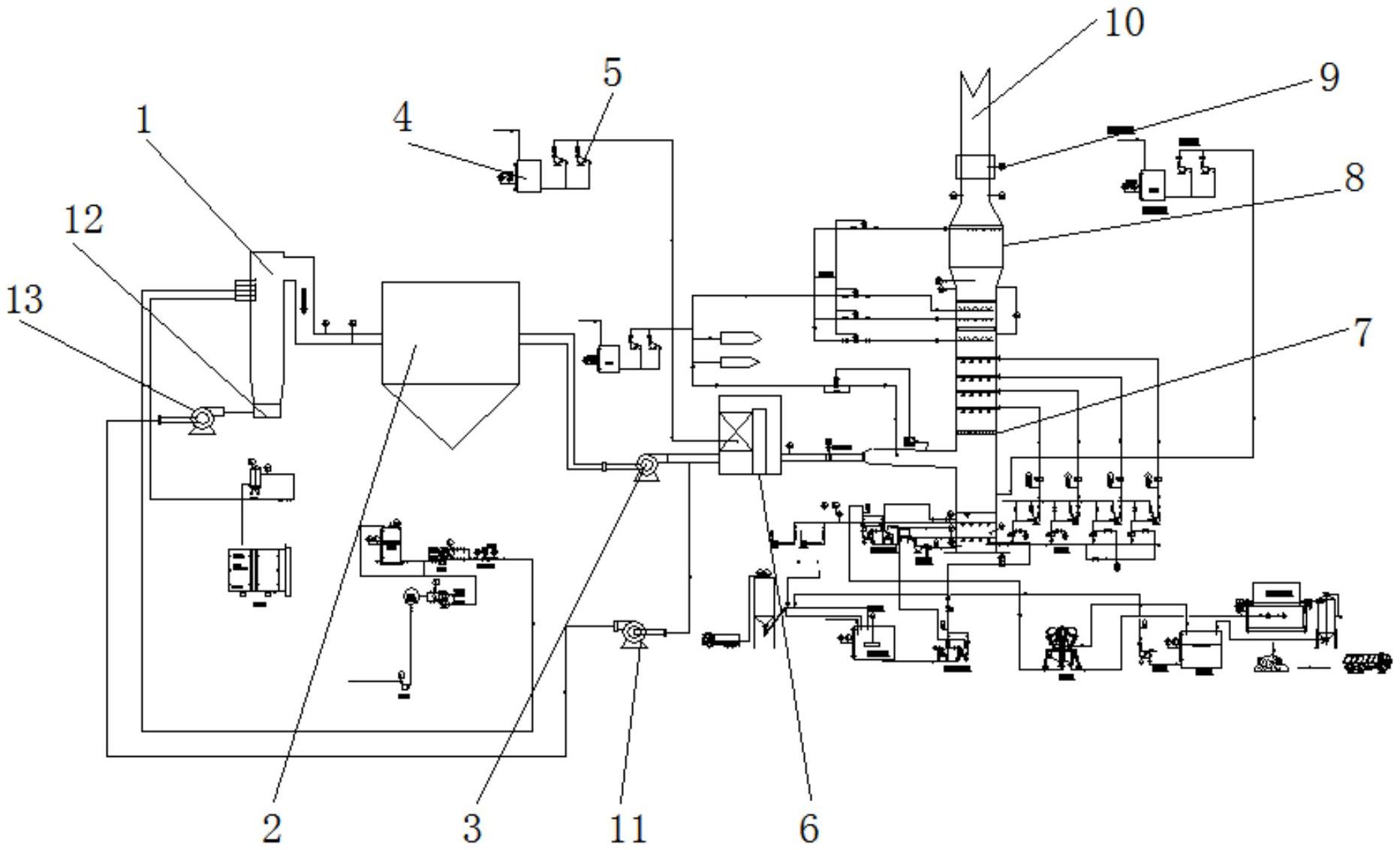
本发明公开了一种脱硫脱硝除尘一体化技术的研制,采用以下主要设备及组合方式,主要设备包括燃煤锅炉、布袋除尘器、主引风机、亚氯酸钠储槽、亚硫酸钠输送泵、脱硝氧化活化装置、脱硫脱硝除尘一体化塔、超级除尘除雾装置、在线监测仪、直排烟囱、低氧燃烧循环风机、锅炉炉膛和锅炉鼓风机,并通过特定的工艺设备组合方式组合,本方案通过布袋除尘器装置去除99.9%以上的尘经引风机加压后进入特殊设计的脱硝氧化活化装置,将95%以上NO在此转化为高价氮,而后进入脱硫脱硝除尘一体化装置,脱硫脱硝后的烟气经过上部超级除尘除雾后有直排烟囱排放,实现脱硫脱硝除尘一体化,实现超低排放,利于环境的保护。


