授权公布号:CN216114111U
一种余热锅炉高温高粘度含尘烟气防堵装置
有效
申请
2021-03-11
申请公布
1970-01-01
授权
2022-03-22
预估到期
2031-03-11
| 申请号 | CN202120511494.5 |
| 申请日 | 2021-03-11 |
| 授权公布号 | CN216114111U |
| 授权公告日 | 2022-03-22 |
| 分类号 | F23J3/02;B01D46/00 |
| 分类 | 燃烧设备;燃烧方法; |
| 申请人名称 | 安徽金森源环保工程有限公司 |
| 申请人地址 | 安徽省阜阳市颍东区(经济开发区)新华街道办事处兴业路28号 |
专利法律状态
2022-03-22
授权
状态信息
授权
摘要
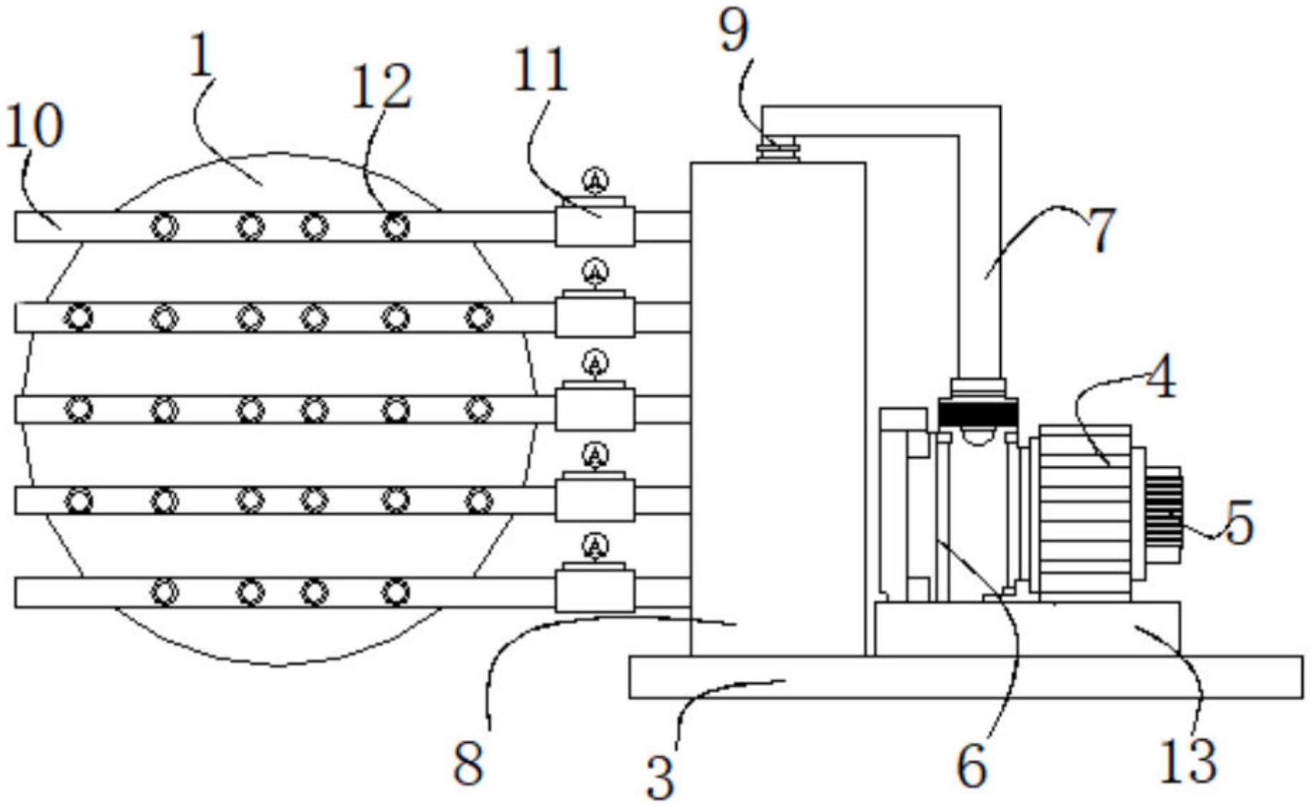
本实用新型提供一种余热锅炉高温高粘度含尘烟气防堵装置,包括余热锅炉和喷吹机构,所述余热锅炉的内部设置有烟气管,所述烟气管的一端贯穿余热锅炉且延伸至外部,所述喷吹机构包括底板,所述底板顶部的左侧固定连接有喷吹气包,所述喷吹气包的顶部设置有压缩空气进口,所述喷吹气包的左侧连通有自控电磁脉冲阀,并且自控电磁脉冲阀的左侧连通有喷吹管道,所述喷吹管道的表面开设有喷吹孔,并且喷吹管道通过喷吹孔与烟气管相连通。本实用新型提供的余热锅炉高温高粘度含尘烟气防堵装置,解决了余热锅炉高温高粘度含尘烟气防堵装置,容易由于烟气中的高粘度灰尘容易粘附在烟气管道的内部,堆积之后容易造成管道堵塞的问题。


