授权公布号:CN216151514U
一种减振器挡圈焊接定长装置及包括其的四点焊机
有效
申请
2020-12-31
申请公布
1970-01-01
授权
2022-04-01
预估到期
2030-12-31
| 申请号 | CN202023312976.2 |
| 申请日 | 2020-12-31 |
| 授权公布号 | CN216151514U |
| 授权公告日 | 2022-04-01 |
| 分类号 | B23K37/00;B23K3/047 |
| 分类 | 机床;不包含在其他类目中的金属加工; |
| 申请人名称 | 南阳淅减汽车减振器有限公司 |
| 申请人地址 | 河南省南阳市淅川县西坪头工业园区 |
专利法律状态
2022-04-01
授权
状态信息
授权
摘要
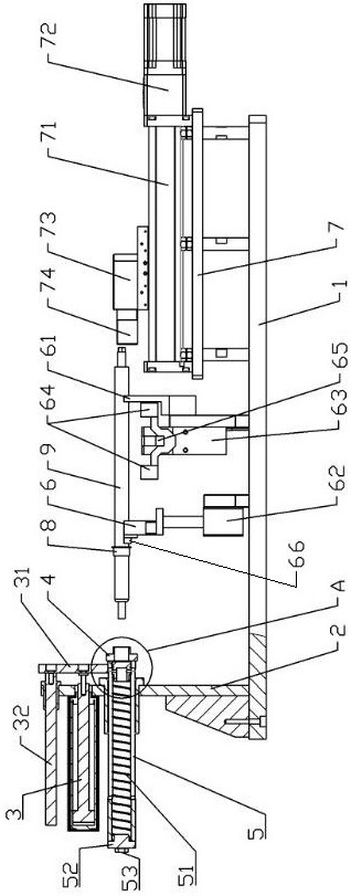
本实用新型涉及车用减振器制造设备技术领域,尤其涉及一种减振器挡圈焊接定长装置及包括其的四点焊机,该装置包括底座以及左右两端的设有第一直线伸缩机构和第二直线伸缩机构,第一直线伸缩机构活动部朝右,第一直线伸缩机构沿左右方向伸缩且活动部朝左,第一直线伸缩机构的活动部上设有用于向右顶推挡圈的顶紧压头,顶紧压头上供活塞杆穿过的通孔,第二直线伸缩机构的活动部上设有推进块,底座在所述第一直线伸缩机构和第二直线伸缩机构之间的位置处设有用于支撑活塞杆的支撑机构,第一直线伸缩机构和第二直线伸缩机构相互配合从而共同定位挡圈在活塞杆上的位置。本实用新型效率高、劳动量小,能够调节定位长度,降低工装投入成本。


