授权公布号:CN207268242U
一种注塑机两顶出油缸的单独控制或同步控制液压油路
有效
申请
2017-07-21
申请公布
1970-01-01
授权
2018-04-24
预估到期
2027-07-21
| 申请号 | CN201720890268.6 |
| 申请日 | 2017-07-21 |
| 授权公布号 | CN207268242U |
| 授权公告日 | 2018-04-24 |
| 分类号 | F15B11/08;F15B13/02;B29C45/82 |
| 分类 | 流体压力执行机构;一般液压技术和气动技术; |
| 申请人名称 | 德马格塑料机械(宁波)有限公司 |
| 申请人地址 | 浙江省宁波市北仑区白云山路28号 |
专利法律状态
2018-04-24
授权
状态信息
授权
摘要
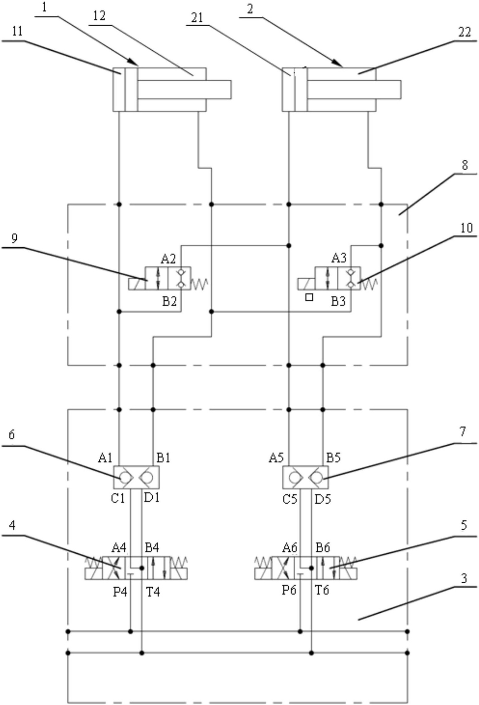
本实用新型公开了一种注塑机两顶出油缸的单独控制或同步控制液压油路,第一电磁换向阀下设置有第一叠加式液压控制阀,第二电磁换向阀下设置有第二叠加式液压控制阀,第一顶出油缸与主阀板之间、第二顶出油缸与主阀板之间设置有同步阀板,同步阀板设置有用于控制第一顶出油缸和第二顶出油缸同步工作的电磁阀,第一顶出油缸、第二顶出油缸、第一电磁换向阀、第二电磁换向阀、第一叠加式液压控制阀、第二叠加式液压控制阀和电磁阀通过油路管道相连通;其优点是两个顶出油缸既可以单独控制也可以同步控制,满足客户不同的模具要求,通用性能好、同步性能好而且结构简单。


