授权公布号:CN216561562U
一种通过压缩机制冷除湿的售药机控制电路
有效
申请
2021-10-27
申请公布
1970-01-01
授权
2022-05-17
预估到期
2031-10-27
| 申请号 | CN202122596998.4 |
| 申请日 | 2021-10-27 |
| 授权公布号 | CN216561562U |
| 授权公告日 | 2022-05-17 |
| 分类号 | G05D27/02;G07F9/10;F25B49/02 |
| 分类 | 控制;调节; |
| 申请人名称 | 大连富士冰山自动售货机有限公司 |
| 申请人地址 | 辽宁省大连市经济技术开发区湾达路51号 |
专利法律状态
2022-05-17
授权
状态信息
授权
摘要
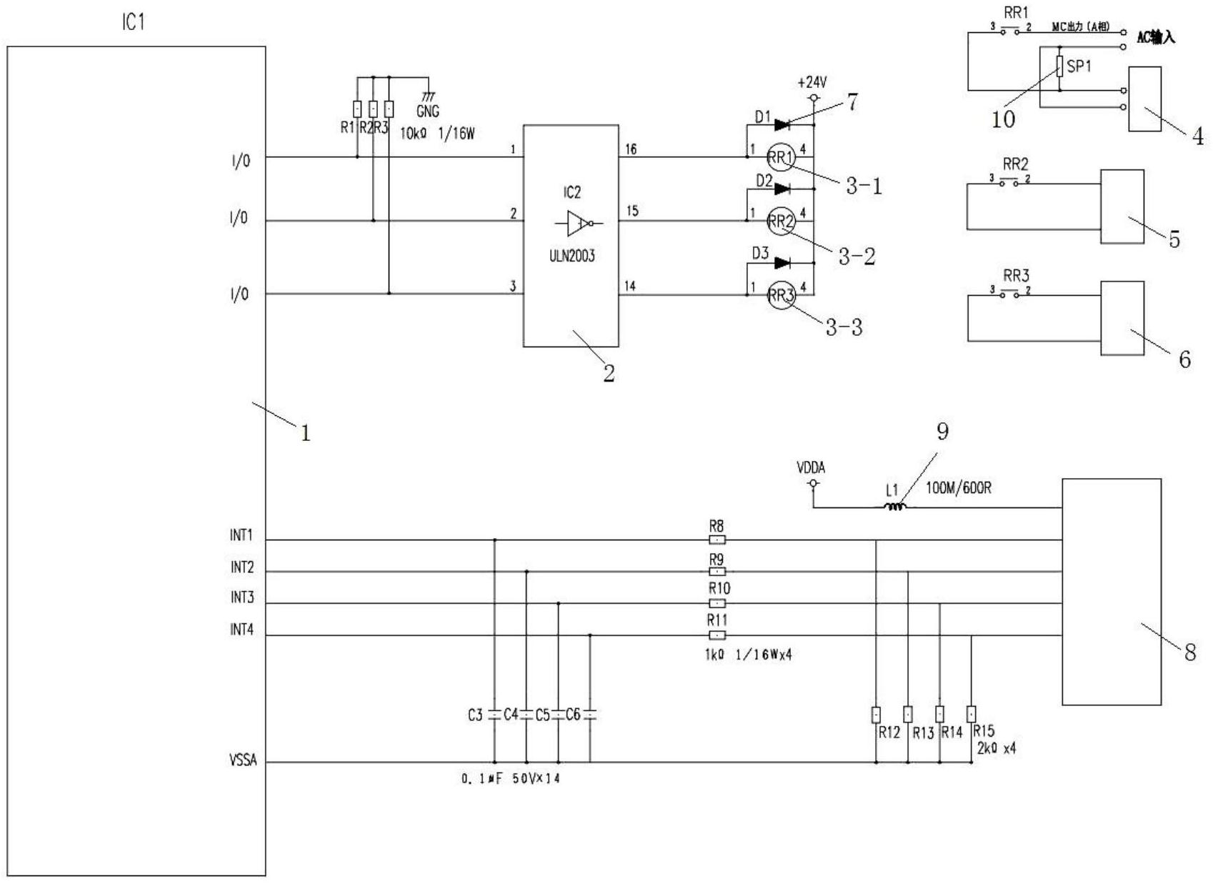
本实用新型公开了一种通过压缩机制冷除湿的售药机控制电路,涉及售货机控制技术领域,通过对压缩机的控制实现售药机柜内的制冷除湿,无需增加半导体制冷除湿装置,节约成本,且压缩机蒸发器表面积大,除湿速度更快。


