授权公布号:CN212842497U
一种基于水源热泵的真空脉动烘干设备
有效
申请
2020-08-28
申请公布
1970-01-01
授权
2021-03-30
预估到期
2030-08-28
| 申请号 | CN202021838263.7 |
| 申请日 | 2020-08-28 |
| 授权公布号 | CN212842497U |
| 授权公告日 | 2021-03-30 |
| 分类号 | F26B25/00;F26B25/12;F26B5/04;F26B23/10 |
| 分类 | 干燥; |
| 申请人名称 | 银川艾尼工业科技开发股份有限公司 |
| 申请人地址 | 宁夏回族自治区银川市贺兰县德胜工业园区宁平街2号 |
专利法律状态
2021-03-30
授权
状态信息
授权
摘要
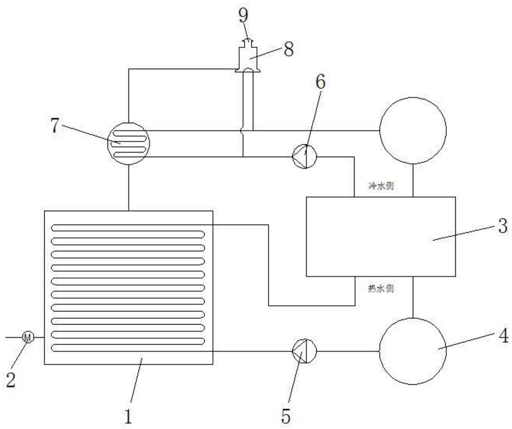
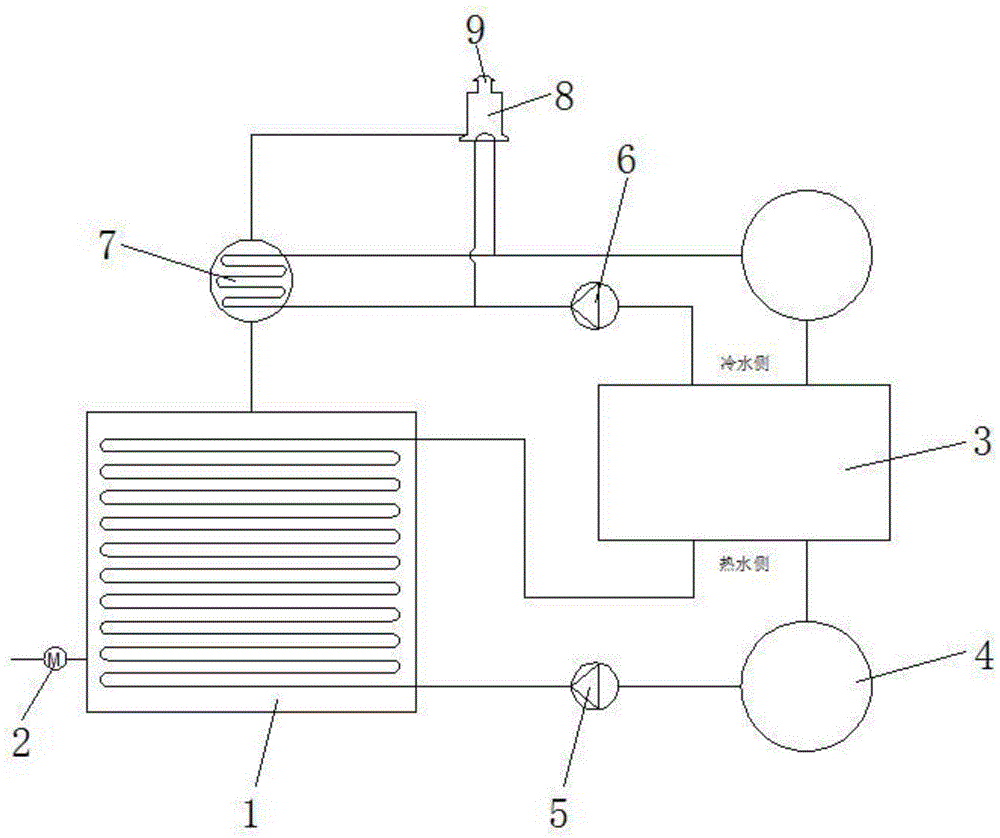
本实用新型公开了一种基于水源热泵的真空脉动烘干设备,包括真空箱,所述真空箱的外侧安装有电磁阀,且真空箱的外侧还设置有水源热泵,并且真空箱通过水管与水源热泵相互连接,所述水源热泵的外侧设置有缓冲水箱,且缓冲水箱均通过水管与水源热泵相互连接,所述缓冲水箱的外侧设置有冷凝罐,且缓冲水箱与冷凝罐之间设置有真空泵,并且真空泵上设置有排气口。该基于水源热泵的真空脉动烘干设备,在温度不变的条件下,随着压力的降低,水的沸点也会随着压力的降低而降低,应用这一原理可以大大的缩短物料的烘干的时间,降低成本,物料一直在一定的真空度下被烘干,与氧气接触的程度降低,被氧化的时间短,大大的提升了物料的品质和色泽。


