授权公布号:CN219041791U
用于NFC设备天线的校正电路、NFC设备
有效
申请
2022-11-08
申请公布
1970-01-01
授权
2023-05-16
预估到期
2032-11-08
| 申请号 | CN202222963938.6 |
| 申请日 | 2022-11-08 |
| 授权公布号 | CN219041791U |
| 授权公告日 | 2023-05-16 |
| 分类号 | H04B17/21 |
| 分类 | 电通信技术; |
| 申请人名称 | 青岛海尔智能家电科技有限公司 |
| 申请人地址 | 山东省青岛市崂山区海尔路1号海尔工业园 |
专利法律状态
2023-05-16
授权
状态信息
授权
摘要
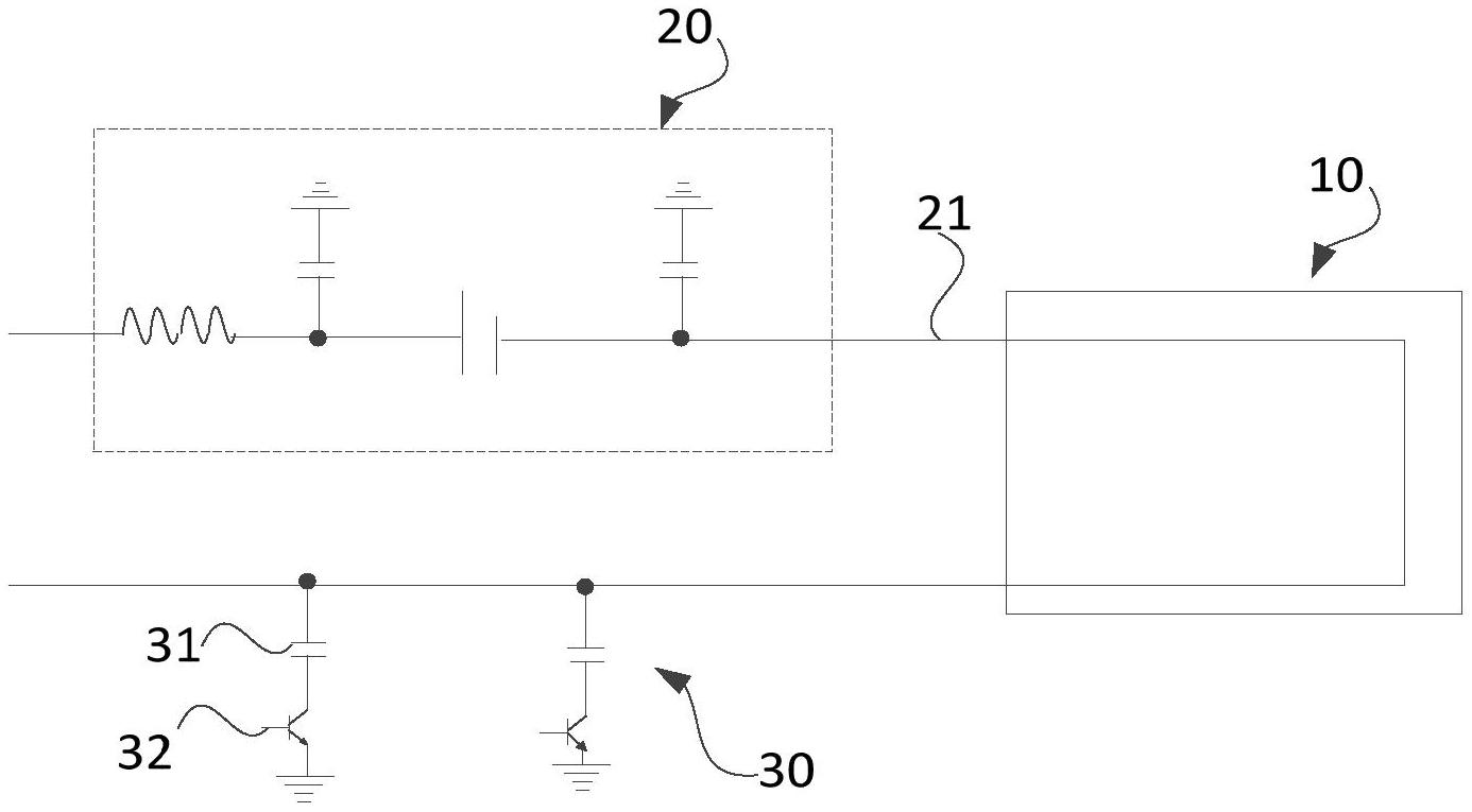
本申请涉及近场通信技术领域,公开一种用于NFC设备天线的校正电路,包括:多路开关电路,设置于NFC设备天线电路,且多路所述开关电路并联;其中,每路所述开关电路分别包括一个电容和一个开关;每路开关电路的初始状态均为阻断状态;所述开关电路被配置为通过控制相应的开关的状态,调节所述NFC设备天线电路的天线参数。该装置在NFC设备的天线参数需校正时,控制多个开关的状态。通过增加天线电路的额外负载即电容,调节天线参数。如此,可动态调整NFC天线的电容参数,让NFC天线性能达到最佳,降低了设备的报废率。本申请还公开一种NFC设备。


