授权公布号:CN214992360U
一种化纤织物抗皱整理装置
有效
申请
2021-04-23
申请公布
1970-01-01
授权
2021-12-03
预估到期
2031-04-23
| 申请号 | CN202120839953.2 |
| 申请日 | 2021-04-23 |
| 授权公布号 | CN214992360U |
| 授权公告日 | 2021-12-03 |
| 分类号 | D06B3/10;D06B15/09;D06C15/10 |
| 分类 | 织物等的处理;洗涤;其他类不包括的柔性材料; |
| 申请人名称 | 上海丝绸集团品牌发展有限公司 |
| 申请人地址 | 上海市虹口区四川北路1666号17楼 |
专利法律状态
2021-12-03
授权
状态信息
授权
摘要
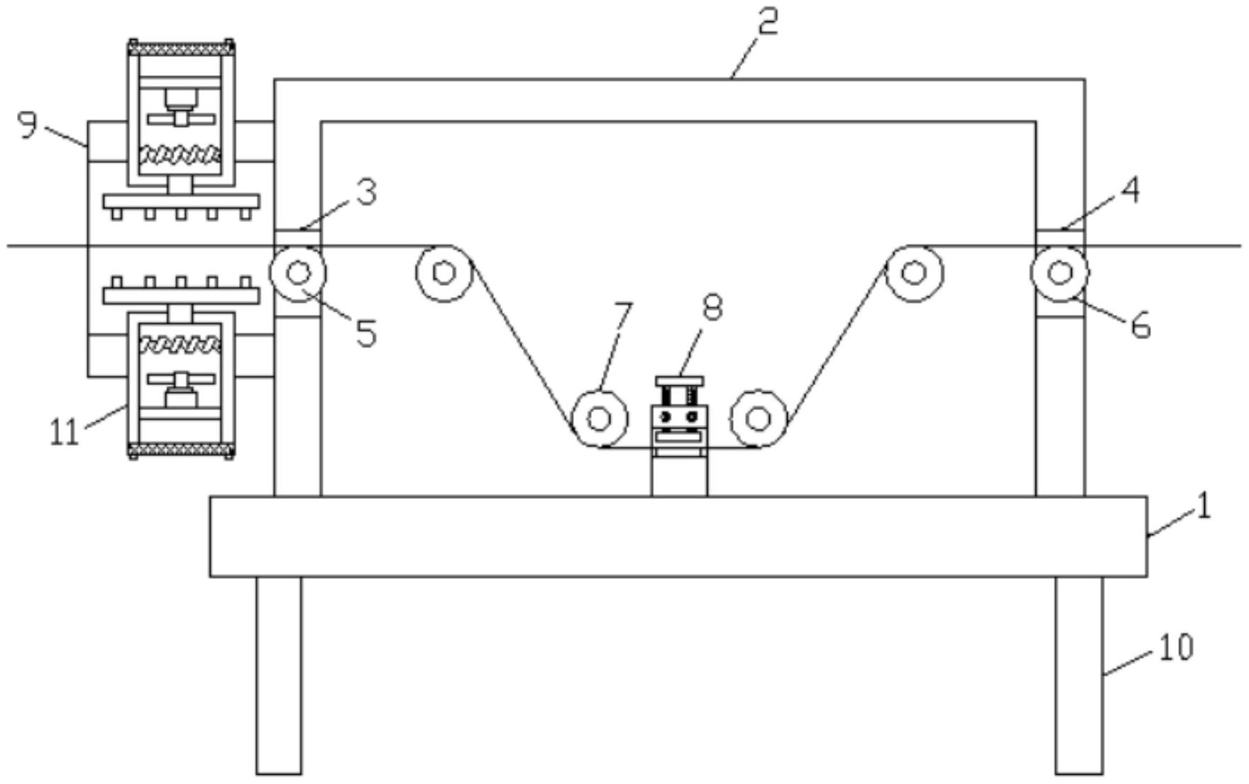
本实用新型属于化纤织物处理技术领域,具体公开了一种化纤织物抗皱整理装置,包括底座,所述底座的顶部设有整理室,整理室的左右两侧分别设有进布口和出布口,所述进布口和出布口内分别转动设有进布辊和出布辊;所述整理室内腔侧壁上转动安装有四个导布辊,且四个导布辊呈倒置的“八”型结构,倒置的“八”型结构内设有整平组件;所述整理室的左侧焊接有中空的通道,且通道与进布口对应设置;所述通道的上下端对称设有烘干组件;本实用新型能够根据使用需求对面料的按压力度进行调整,进而可以更好的去除化纤织物上的褶皱;此外,能够对面料两面同时进行烘干处理,烘干效率高。


