授权公布号:CN218379960U
一种多机双级离心式冷水机组
有效
申请
2022-11-03
申请公布
1970-01-01
授权
2023-01-24
预估到期
2032-11-03
| 申请号 | CN202222945168.2 |
| 申请日 | 2022-11-03 |
| 授权公布号 | CN218379960U |
| 授权公告日 | 2023-01-24 |
| 分类号 | F25B1/10;F25B41/40;F25B49/02 |
| 分类 | 制冷或冷却;加热和制冷的联合系统;热泵系统;冰的制造或储存;气体的液化或固化; |
| 申请人名称 | 顿汉布什(中国)工业有限公司 |
| 申请人地址 | 山东省烟台市莱山区顿汉布什路1号 |
专利法律状态
2023-01-24
授权
状态信息
授权
摘要
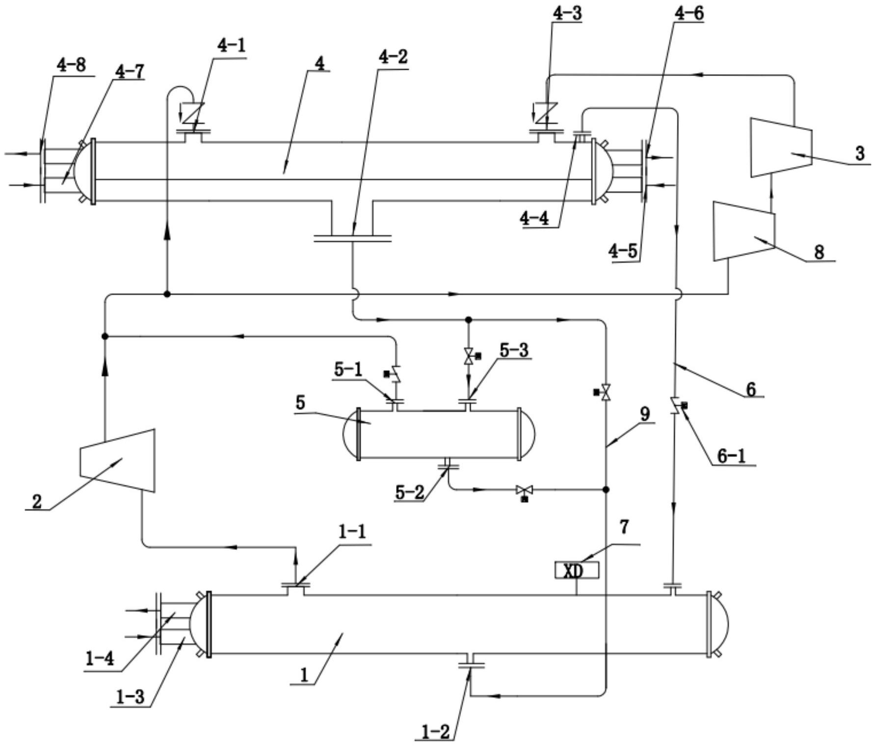
本实用新型涉及一种多机双级离心式冷水机组,包括蒸发器、低压级双级压缩机和冷凝器,还包括控制箱、气体平衡管路、高压级双级压缩机和至少一个中压级双级压缩机,蒸发器通过蒸发器出气口与低压级双级压缩机的进气口连接,低压级双级压缩机的出气口通过三通管路一端与冷凝器的低压级进气口连接,另一端与中压级双级压缩机的进气口连接;中压级双级压缩机的出气口与高压级双级压缩机的进气口连接,高压级双级压缩机的出气口与冷凝器的高压级进气口连接;气体平衡管路的一端与冷凝器连接,另一端与蒸发器连接,气体平衡管路上设有控制阀;控制箱与蒸发器、低压级双级压缩机、冷凝器、中压级双级压缩机、高压级双级压缩机和控制阀电连接。


