授权公布号:CN215962906U
用于大型电站机组脱硝斜烟道的支吊装置
有效
申请
2021-08-31
申请公布
1970-01-01
授权
2022-03-08
预估到期
2031-08-31
| 申请号 | CN202122087610.8 |
| 申请日 | 2021-08-31 |
| 授权公布号 | CN215962906U |
| 授权公告日 | 2022-03-08 |
| 分类号 | B01D53/56 |
| 分类 | 一般的物理或化学的方法或装置; |
| 申请人名称 | 北京巴布科克·威尔科克斯有限公司 |
| 申请人地址 | 北京市石景山区石景山路36号 |
专利法律状态
2022-03-08
授权
状态信息
授权
摘要
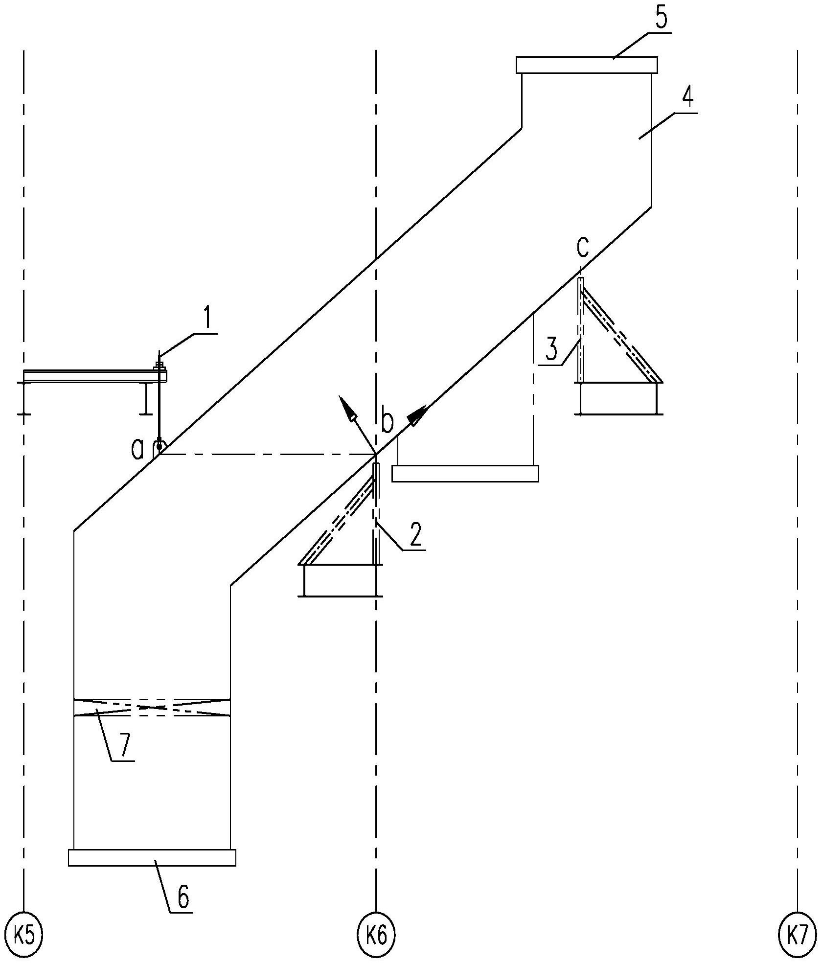
本实用新型公开了用于大型电站机组脱硝斜烟道的支吊装置,包括:反应器出口烟道,其设置在脱硝反应器的出口和锅炉空气预热器的进口之间;刚性吊架,其固定在反应器出口烟道前端的上侧,刚性吊架与反应器出口烟道的接触点为膨胀死点a;固定刚性支腿,其固定在反应器出口烟道前端的下侧,固定刚性支腿与反应器出口烟道的前端下侧的接触点为膨胀死点b,膨胀死点a和膨胀死点b处于同一水平面上。本实用新型对大跨度的斜烟道设置刚性吊架、固定刚性支腿和滑动刚性支腿,既能避免增加膨胀节或弹簧支吊架等其他设备,又能够满足烟道的荷载以及热位移需要,提高烟道及烟道支座的牢固性和稳定性,延长烟道及烟道支座的使用寿命。


