授权公布号:CN216348030U
一种空气能热泵用板式换热器一体化接头安装结构
有效
申请
2021-12-02
申请公布
1970-01-01
授权
2022-04-19
预估到期
2031-12-02
| 申请号 | CN202123012203.7 |
| 申请日 | 2021-12-02 |
| 授权公布号 | CN216348030U |
| 授权公告日 | 2022-04-19 |
| 分类号 | F28F9/26;F28D9/00;F25B39/00;F25B30/02 |
| 分类 | 一般热交换; |
| 申请人名称 | 伽帝芙股份有限公司 |
| 申请人地址 | 安徽省合肥市肥东县肥东经济开发区镇西路西侧1号、2号厂房 |
专利法律状态
2022-04-19
授权
状态信息
授权
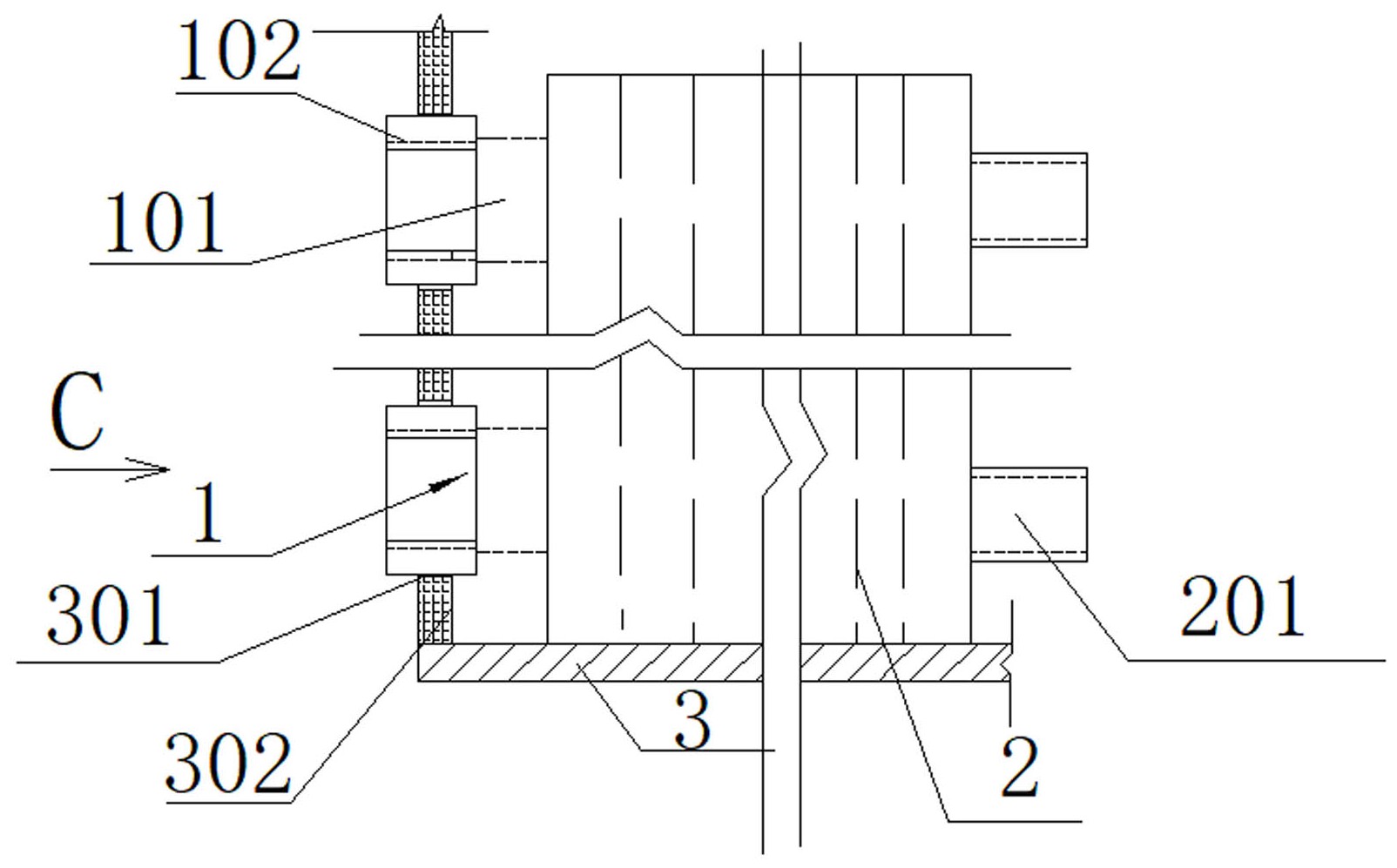
摘要
本实用新型提供一种空气能热泵用板式换热器一体化接头安装结构,其包括固定设置在热泵钣金件底座上的板式换热器板片、与板式换热器板片的水系统通道连通的水侧管接头以及与板式换热器板片的制冷剂系统通道连通的制冷剂管接头;所述水侧管接头和制冷剂管接头分别设置在板式换热器板片的两侧;所述水侧管接头包括焊接固定在换热器板片的水系统通道接头上的水侧管接头过渡段以及与水侧管接头过渡段一体设置的水侧管接头螺纹段;所述水侧管接头螺纹段的截面外侧为多边形,所述水侧管接头螺纹段内侧设置内螺纹,本实用新型具有节约成本,安全可靠,简化生产制造集成过程中难度,减少焊接点和漏水点的特点。


