授权公布号:CN219168111U
一种适用于高分子脱硝剂的脱硝系统
有效
申请
2022-12-16
申请公布
1970-01-01
授权
2023-06-13
预估到期
2032-12-16
| 申请号 | CN202223378715.X |
| 申请日 | 2022-12-16 |
| 授权公布号 | CN219168111U |
| 授权公告日 | 2023-06-13 |
| 分类号 | B01D53/78;B01D53/56;B01D53/79;F23J15/04 |
| 分类 | 一般的物理或化学的方法或装置; |
| 申请人名称 | 西子清洁能源装备制造股份有限公司 |
| 申请人地址 | 浙江省杭州市江干区大农港路1216号 |
专利法律状态
2023-06-13
授权
状态信息
授权
摘要
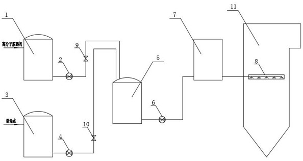
本实用新型公开了一种适用于高分子脱硝剂的脱硝系统,包括高分子脱硝剂储罐、脱硝剂输送泵、除盐水储罐、除盐水输送泵、混合稀释罐、混合稀释泵、分配柜、喷射装置,高脱硝剂储罐出口与脱硝剂输送泵相连,除盐水储罐出口与除盐水输送泵相连,脱硝剂输送泵出口和除盐水输送泵出口分别与混合稀释罐进口连通,混合稀释泵一端连接混合稀释罐,另一端连接分配柜,分配柜出口与喷射装置连通,喷射装置布置安装在锅炉炉膛内温度在650‑950℃的区域位置。本实用新型采用高分子脱硝液,该脱硝液无毒无危险,可不使用催化剂,脱硝系统简单,装置较少。且选择锅炉炉膛内650‑950℃温度区域合理布置喷枪位置,最大程度实现烟气和高分子脱硝剂的混合,提升脱硝效率。


