授权公布号:CN217643403U
RS485数据收发电路和以太网交换机
有效
申请
2022-06-27
申请公布
1970-01-01
授权
2022-10-21
预估到期
2032-06-27
| 申请号 | CN202221628379.7 |
| 申请日 | 2022-06-27 |
| 授权公布号 | CN217643403U |
| 授权公告日 | 2022-10-21 |
| 分类号 | H04L49/10;H04L12/40;H05K9/00;H05K1/02 |
| 分类 | 电通信技术; |
| 申请人名称 | 湖南恒茂高科股份有限公司 |
| 申请人地址 | 湖南省株洲市醴陵市陶瓷科技工业园B区 |
专利法律状态
2022-10-21
授权
状态信息
授权
摘要
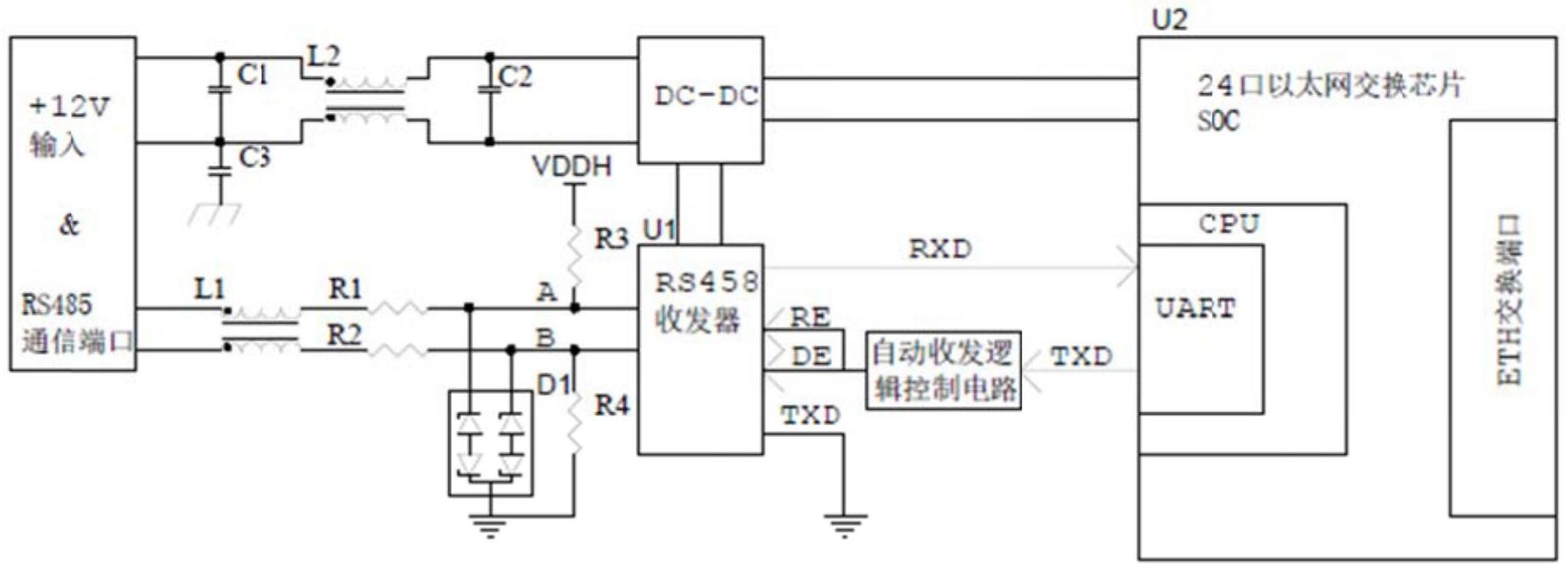
本实用新型公开了一种RS485数据收发电路和以太网交换机,包括:以太网交换芯片、供电端子、自动收发逻辑控制电路、RS485收发器、RS485通信端口和EMI防护电路,自动收发逻辑控制电路包括开关元件和第一电阻、第二电阻和第三电阻,实现自动收发功能,相较于采用内部集成收发状态机的RS485收发器,成本较低,通过EMI防护电路提高EMI防护能力。


