授权公布号:CN218210108U
一种高压电极相变热水机组
有效
申请
2022-10-17
申请公布
1970-01-01
授权
2023-01-03
预估到期
2032-10-17
| 申请号 | CN202222716119.1 |
| 申请日 | 2022-10-17 |
| 授权公布号 | CN218210108U |
| 授权公告日 | 2023-01-03 |
| 分类号 | F24H7/02;F24H1/22;F24H9/00;F24H9/1818 |
| 分类 | 供热;炉灶;通风; |
| 申请人名称 | 江苏双良锅炉有限公司 |
| 申请人地址 | 江苏省无锡市江阴市临港街道利港西利路115号 |
专利法律状态
2023-01-03
授权
状态信息
授权
摘要
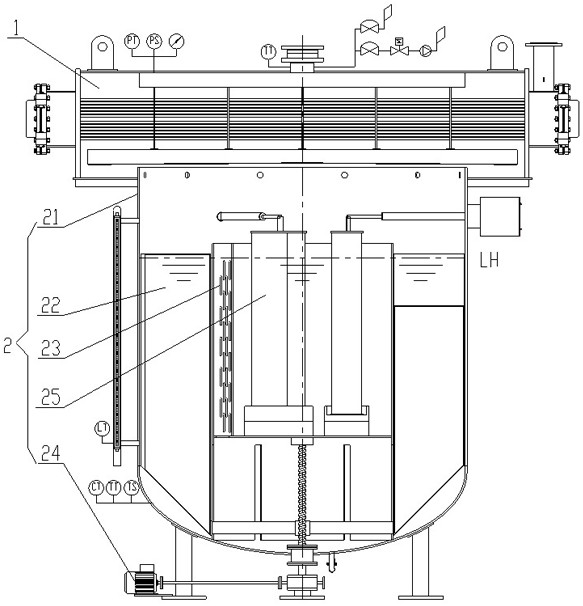
本实用新型涉及一种高压电极相变热水机组,包括汽水换热器和电极蒸汽发生器,所述汽水换热器设于电极蒸汽发生器顶部,所述电极蒸汽发生器包括发生器壳体、液位调节筒、电极筒、蜗轮丝杆升降组件和高压电极组件,所述发生器壳体、液位调节筒和电极筒由外向内同心布置,所述电极筒内置多组高压电极组件,所述蜗轮丝杆升降组件驱动液位调节筒在发生器壳体与电极筒之间上下移动。本实用新型的发生器壳体、液位调节筒和电极筒采用同心设置,通过蜗轮丝杆升降组件实现电极筒内的液位自动调节;结构简单,控制系统简便,无额外附加的实时加压、排气和补水系统,能效高。


