授权公布号:CN216781700U
GGH穿管工装
有效
申请
2021-12-30
申请公布
1970-01-01
授权
2022-06-21
预估到期
2031-12-30
| 申请号 | CN202123398608.9 |
| 申请日 | 2021-12-30 |
| 授权公布号 | CN216781700U |
| 授权公告日 | 2022-06-21 |
| 分类号 | B25B27/14 |
| 分类 | 手动工具;轻便机动工具;手动器械的手柄;车间设备;机械手; |
| 申请人名称 | 东方菱日锅炉有限公司 |
| 申请人地址 | 浙江省嘉兴市成功路1267号 |
专利法律状态
2022-06-21
授权
状态信息
授权
摘要
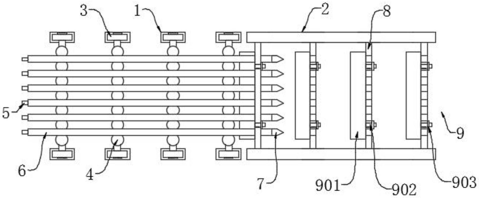
本实用新型公开了GGH穿管工装,涉及工装领域,本实用新型包括滚筒架和GGH框架,滚筒架的顶部安装有滚筒,滚筒的外表面套接有多个滚轮,多个滚轮的顶部均放置有螺旋翅片管。本实用新型通过设置有引导头,由于引导头为圆锥体且直径与螺旋翅片相同,因此在螺旋翅片管穿管时可套接在其进入端,使得在螺旋翅片管偏离穿管轨迹时能起到修正引导作用,确保螺旋翅片管在穿过孔板时不会因为螺旋翅片管运动轨迹偏离而引起螺旋翅片与孔板穿孔产生阻挡,甚至受较大阻力引起螺旋翅片歪道和焊接拉脱,精简了穿管工艺流程,减少了繁琐复杂的操作,减低了完成该工作的人力成本,提高了穿管效率,保证了产品的质量。


