授权公布号:CN220582443U
一种煤制乙二醇MF焚烧尾气氮氧化物处理装置
有效
申请
2023-08-18
申请公布
1970-01-01
授权
2024-03-12
预估到期
2033-08-18
| 申请号 | CN202322232481.6 |
| 申请日 | 2023-08-18 |
| 授权公布号 | CN220582443U |
| 授权公告日 | 2024-03-12 |
| 分类号 | F23G7/04;F23G5/46;F23G5/44;F23J15/02;F22B9/00;F22B37/54;F22D1/00 |
| 分类 | 燃烧设备;燃烧方法; |
| 申请人名称 | 湖北三宁化工股份有限公司 |
| 申请人地址 | 湖北省宜昌市枝江市姚家港沿江路9号 |
专利法律状态
2024-03-12
授权
状态信息
授权
摘要
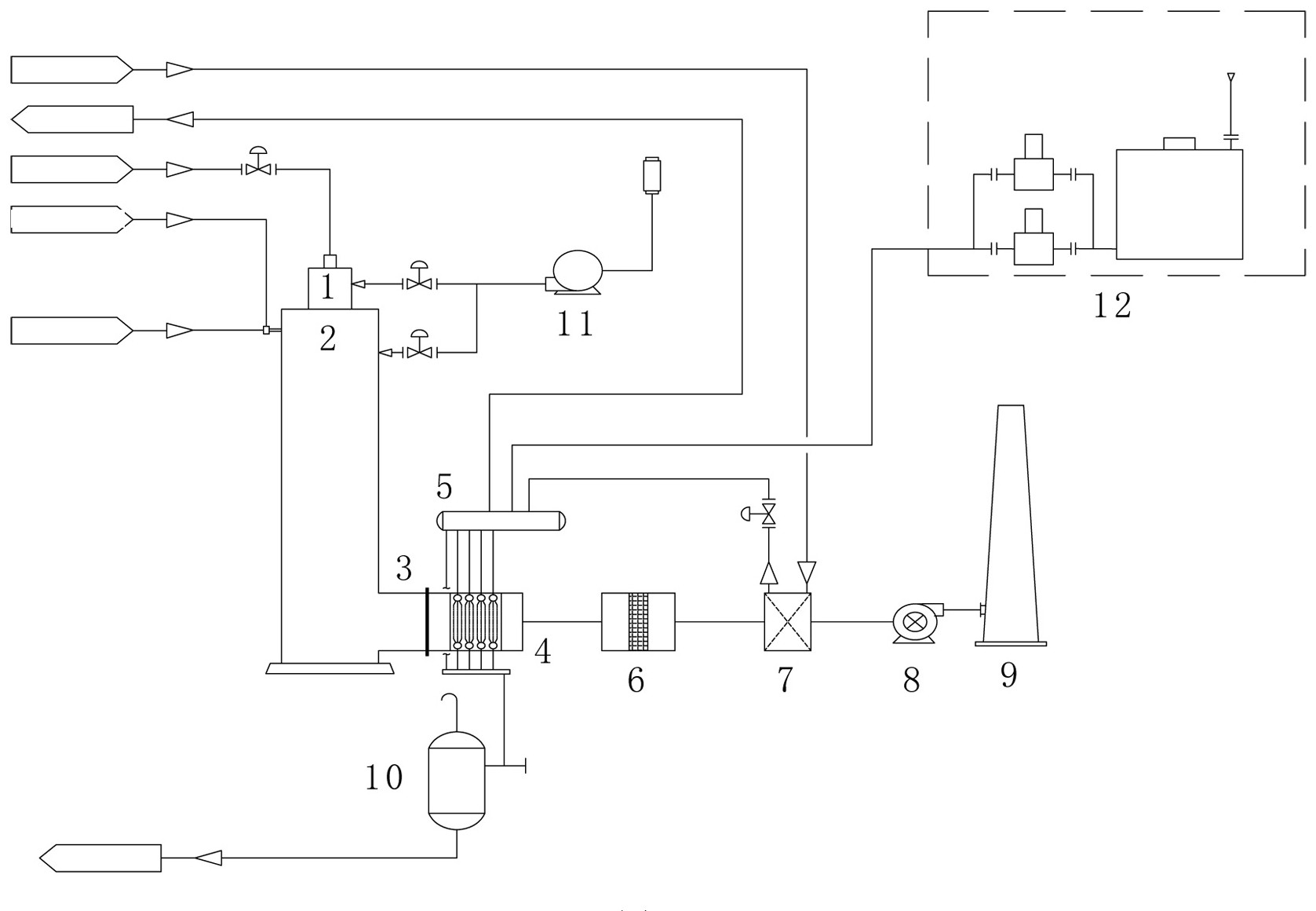
本实用新型公开了一种煤制乙二醇MF焚烧尾气氮氧化物处理装置,包括焚烧炉,焚烧炉顶部设有燃烧器,焚烧炉底部出料口与SNCR脱硝装置连通,SNCR脱硝装置与火管锅炉连通,火管锅炉上方设有汽包,所述火管锅炉与SCR催化脱硝装置、省煤器、引风机和烟囱依次连通。本实用新型采用蓄热焚烧+高效的脱硝工艺技术,可以安全、高效、绿色的处理粗甲酸甲酯有机废液,副产高品质蒸汽,解决废液难题,能够产生一定的经济效益,实现废物资源综合利用。


