授权公布号:CN218944968U
一种利用液体余压驱动的节能搅拌装置
有效
申请
2022-12-07
申请公布
1970-01-01
授权
2023-05-02
预估到期
2032-12-07
| 申请号 | CN202223264590.8 |
| 申请日 | 2022-12-07 |
| 授权公布号 | CN218944968U |
| 授权公告日 | 2023-05-02 |
| 分类号 | B01F35/32;B01F27/90;B01F35/75;B01F35/92;B01F25/51;B01J19/18;B01J4/00 |
| 分类 | 一般的物理或化学的方法或装置; |
| 申请人名称 | 湖北三宁化工股份有限公司 |
| 申请人地址 | 湖北省宜昌市枝江市姚家港沿江路9号 |
专利法律状态
2023-05-02
授权
状态信息
授权
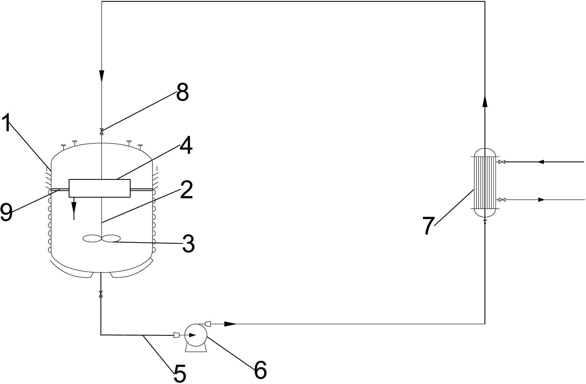
摘要
本实用新型提供一种利用液体余压驱动的节能搅拌装置,包括设置在反应釜内的搅拌轴,搅拌轴下端设有搅拌叶片,搅拌轴通过液压执行元件进行驱动,反应釜的排液口通过循环管依次与循环泵和冷却器连通,冷却器通过管道与液压执行元件的液压进口连接,液压执行元件的液压出口将循环液排入反应釜内。该装置能有效的回收循环液的余压,将循的动能转化为搅拌器的动力,用于搅拌、混合反应釜内的物料。


